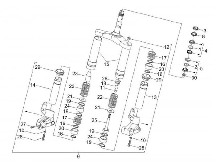
Fork
Gilera Runner 50 RST Purejet ST (2011, ZAPC46200)
Sort