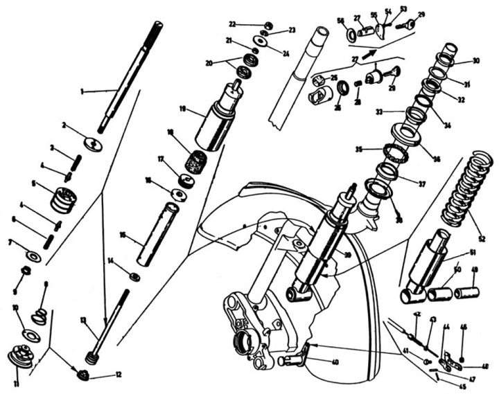
Front suspension
Vespa 180 Super Sport (VSC1T, SS180)
Sort