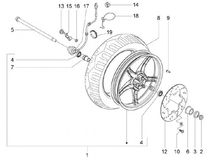
Front wheel
Piaggio NRG 50 Power DD (2014, ZAPC45100)
Sort