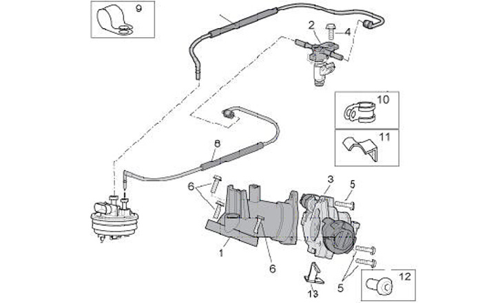
Throttle housing
Aprilia Scarabeo Light 500 (2006-2008, ZD4VRC00)
Sort