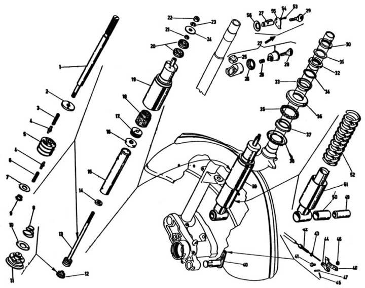
Depan Shock Breaker
Vespa 160 GS/4 (VSB1T, 1962, GS4)
Urutkan