Sangat baik
4.7 / 5
Gratis ongkos kirim mulai dari 99 € (DE)
Kepuasan pelanggan yang tinggi
Kontak
|
Privasi
|
AGB & Info Pelanggan
|
Jejak
Blog
DE | €
Garasi saya
Lupa kata sandi Anda?
masuk
Membuat akun pelanggan baru
0
Semua
Mesin
Mulai dari Mesin
Berkendara
Gearbox
Karburator
Knalpot
Kopling
Manifold & diafragma intake
Motor
Motor & perumahan
Pemula
Pendinginan
Pengapian
Poros engkol
Revisi Set
Saringan udara
Segel
Sekrup & bagian kecil
Silinder
Sistem injeksi
Sistem kelistrikan
Mulai dari Sistem kelistrikan
Baterai
Busi
Colokkan
Instrumen
Kabel
Motor starter
Pencahayaan
Pengapian & alternator
Regulator, penyearah
Sakelar
Sekrup & bagian kecil
Sumber cahaya
Bingkai & bagian tambahan
Mulai dari Bingkai & bagian tambahan
Bagian panel
Bantalan kepala kemudi
Dudukan utama & samping
Garpu
Huruf
Jok
Peredam kejut
Sekrup & bagian kecil
Sistem bahan bakar
Setang & alat kelengkapan
Mulai dari Setang & alat kelengkapan
Bagian setang & fairing
Cermin
Gagang pemindah gas
Instrumen
Menangani
Rem & kopling
Sakelar
Sekrup & bagian kecil
Kabel bowden
Mulai dari Kabel bowden
Elemen kontrol
Kabel speedometer
Penarikan & pemasangan kabel
Penggerak Tacho
Puting penjepit & sekrup penyetel
Saluran rem
Roda
Mulai dari Roda
Ban
Katup & bagian kecil
Rem
Roda
Selang
Velg
Layanan
Mulai dari Layanan
Alat
Filter
Minyak
Sabuk-V
Set
Minyak & Kimia
Mulai dari Minyak & Kimia
Bahan pengoperasian
Gemuk & Pelumas
Minyak
Perekat
Perlengkapan bengkel
Pernis & Warna
Produk perawatan & pembersih
Sealant
Aksesori
Mulai dari Aksesori
Aksesoris Khusus
Anginan
Bagasi
Drosselkatup & Pembatas Putaran
Kantong
Literatur: Sastra
Merchandise
Pemegang Ponsel & Aksesoris
Peralatan Bengkel
Perlindungan dari pencurian
Sturzbügel
TopCase
Helm & Pakaian
Mulai dari Helm & Pakaian
Aksesoris
Helm
Jaket & Celana
Kacamata & Visor
Kaos & Kemeja
Sarung Tangan
Voucher
Tips hari ini
%
BGM PRO
Alat pelepas poros roda depan -BGM PRO- Vespa 125 V1-V15, V30-33, VM1-2, VN1, VN2, VNA, VNB, 150 VL, VB, VBA, VBB, VLA1, VGL1, VGLA1, VGLB1, Super, GL, T4, Sprint, GT, GTR, Rally, TS, Motovespa (1959-1964) 125N, 125S, 150S
21,91 €*
24,90 €*
Vespa Klassik
Mesin
Mulai dari Mesin
Berkendara
Gearbox
Karburator
Knalpot
Kopling
Manifold & diafragma intake
Motor
Motor & perumahan
Pemula
Pendinginan
Pengapian
Poros engkol
Saringan udara
Segel
Sekrup & bagian kecil
Set revisi
Silinder
Sistem Elektrik
Mulai dari Sistem Elektrik
Baterai
Busi
Colokkan
Instrumen
Kabel
Motor starter
Pencahayaan
Pengapian & alternator
Regulator, penyearah
Sakelar
Sekrup & bagian kecil
Sumber cahaya
Rangka
Mulai dari Rangka
Bagian panel
Bangku
Bantalan kepala kemudi
Dudukan utama & samping
Garpu
Huruf
Peredam kejut
Sekrup & bagian kecil
Sistem bahan bakar
Setang
Mulai dari Setang
Bagian setang & fairing
Cermin
Gagang pemindah gas
Instrumen
Menangani
Rem & kopling
Sakelar
Sekrup & bagian kecil
Bowden Kabel
Mulai dari Bowden Kabel
Elemen kontrol
Kabel speedometer
Penarikan & pemasangan kabel
Penggerak Tacho
Puting penjepit & sekrup penyetel
Saluran rem
Roda
Mulai dari Roda
Ban
Katup & bagian kecil
Pelek
Rem
Roda
Selang
Servis
Mulai dari Servis
Alat
Filter
Minyak
Set
Oli & Kimia
Mulai dari Oli & Kimia
Bahan pengoperasian
Gemuk & Pelumas
Minyak
Perekat
Perlengkapan bengkel
Pernis & Warna
Produk perawatan & pembersih
Sealant
Aksesoris
Mulai dari Aksesoris
Aksesori khusus
Barang dagangan
Bilah kecelakaan
Literatur
Pembawa bagasi
Peralatan bengkel
Perisai angin
Tas
Tempat & aksesori ponsel
TopCase
Helm & Pakaian
Mulai dari Helm & Pakaian
Aksesori
Helm
Jaket & celana panjang
Kacamata & pelindung
Kaos & Kemeja
Sarung tangan
Tips hari ini
%
Atas
BGM PRO
Set lengan kopling -BGM PRO SUPERSTRONG- Vespa Largeframe, PX, T5 125cc, Cosa, Rally, Sprint, TS125, GT125, GTR125, Super, GL, VNA, VNB, VBA, VBB
44,10 €*
49,00 €*
Vespa Modern
Mesin
Mulai dari Mesin
Berkendara
Gearbox
Karburator
Knalpot
Kopling
Manifold & diafragma intake
Motor
Motor & perumahan
Pemula
Pendinginan
Pengapian
Poros engkol
Saringan udara
Segel
Sekrup & bagian kecil
Set revisi
Silinder
Sistem injeksi
Sistem kelistrikan
Mulai dari Sistem kelistrikan
Baterai
Busi
Colokkan
Instrumen
Kabel
Motor starter
Pencahayaan
Pengapian & alternator
Regulator, penyearah
Sakelar
Sekrup & bagian kecil
Sumber cahaya
Bingkai & bagian tambahan
Mulai dari Bingkai & bagian tambahan
Bagian panel
Bantalan kepala kemudi
Dudukan utama & samping
Garpu
Huruf
Jok
Peredam kejut
Sekrup & bagian kecil
Sistem bahan bakar
Setang & alat kelengkapan
Mulai dari Setang & alat kelengkapan
Bagian setang & fairing
Cermin
Gagang pemindah gas
Instrumen
Menangani
Rem & kopling
Sakelar
Sekrup & bagian kecil
Kabel bowden
Mulai dari Kabel bowden
Elemen kontrol
Kabel speedometer
Penarikan & pemasangan kabel
Penggerak Tacho
Puting penjepit & sekrup penyetel
Saluran rem
Roda
Mulai dari Roda
Ban
Katup & bagian kecil
Pelek
Rem
Roda
Selang
Layanan
Mulai dari Layanan
Alat
Filter
Minyak
Pembersih
Sabuk-V
Set
Minyak & Kimia
Mulai dari Minyak & Kimia
Bahan pengoperasian
Kepadatan
Minyak
Pelumas & Oli
Perekat
Perlengkapan bengkel
Pernis & Warna
Produk perawatan & pembersih
Aksesori
Mulai dari Aksesori
Aksesoris Khusus
Anti-Pencurian
Bagasi
Barang dagangan
Bilah kecelakaan
Pemegang Ponsel & Aksesoris
Peralatan Bengkel
Perisai angin
Sastra: Sastra
Tas
TopCase
Helm & Pakaian
Mulai dari Helm & Pakaian
Aksesori
Helm
Jaket & celana panjang
Kacamata & pelindung
Kaos & Kemeja
Sarung Tangan
Tips hari ini
%
Polini
CDI -POLINI ECM- Piaggio 50 ccm 4-tak (3-katup) - Vespa Primavera 50 3V iGet (Euro5), Sprint 50 iGet (Euro5), Piaggio Liberty 50 iGet (Euro5)
238,50 €*
265,00 €*
Moped Klassik
Mesin
Mulai dari Mesin
Berkendara
Gearbox
Karburator
Knalpot
Kopling
Manifold & diafragma intake
Motor & perumahan
Pemula
Pendinginan
Pengapian
Poros engkol
Saringan udara
Segel
Sekrup & bagian kecil
Set revisi
Silinder
Sistem kelistrikan
Mulai dari Sistem kelistrikan
Baterai
Busi
Colokkan
Instrumen
Kabel
Pencahayaan
Pengapian & alternator
Regulator, penyearah
Sakelar
Sekrup & bagian kecil
Sumber cahaya
Rangka
Mulai dari Rangka
Bagian panel
Bangku
Bantalan kepala kemudi
Dudukan utama & samping
Garpu
Huruf
Peredam kejut
Sekrup & bagian kecil
Sistem bahan bakar
Setang & alat kelengkapan
Mulai dari Setang & alat kelengkapan
Bagian setang & fairing
Cermin
Gagang pemindah gas
Instrumen
Menangani
Rem & kopling
Sakelar
Sekrup & bagian kecil
Kabel bowden
Mulai dari Kabel bowden
Elemen kontrol
Kabel speedometer
Penarikan & pemasangan kabel
Penggerak Tacho
Puting penjepit & sekrup penyetel
Roda
Mulai dari Roda
Ban
Katup & bagian kecil
Pelek
Rem
Roda
Selang
Layanan
Mulai dari Layanan
Alat
Filter
Minyak
Minyak & Kimia
Mulai dari Minyak & Kimia
Bahan pengoperasian
Minyak
Pelumas & Oli
Perekat
Perlengkapan bengkel
Pernis & Warna
Produk perawatan & pembersih
Sealant
Aksesori
Mulai dari Aksesori
Aksesori khusus
Barang dagangan
Literatur
Pembawa bagasi
Peralatan bengkel
Perlindungan dari pencurian
Tas
Helm & Pakaian
Mulai dari Helm & Pakaian
Aksesori
Helm
Kaos & Kemeja
Sarung tangan
Tips hari ini
%
BGM PRO
Lonceng kopling -BGM PRO- Piaggio Ciao, Bravo, Boxer, Si -satu bagian dengan sirip pendingin, CNC Buatan Jerman, model dengan variator
116,10 €*
129,00 €*
Lambretta
Mesin
Mulai dari Mesin
Berkendara
Gearbox
Karburator
Kickstarter
Knalpot
Kopling
Manifold & diafragma intake
Motor & perumahan
Pendinginan
Pengapian
Poros engkol
Saringan udara
Segel
Sekrup & bagian kecil
Set revisi
Silinder
Sistem kelistrikan
Mulai dari Sistem kelistrikan
Baterai
Busi
Colokkan
Instrumen
Memanfaatkan kabel
Pencahayaan
Pengapian & alternator
Regulator & penyearah
Sakelar
Sekrup & bagian kecil
Sumber cahaya
Bingkai & bagian tambahan
Mulai dari Bingkai & bagian tambahan
Bagian panel
Bangku
Bantalan kepala kemudi
Berdiri
Garpu
Huruf
Peredam kejut
Sekrup & bagian kecil
Sistem bahan bakar
Setang & alat kelengkapan
Mulai dari Setang & alat kelengkapan
Bagian setang & fairing
Cermin
Gagang pemindah gas
Instrumen
Menangani
Rem & kopling
Sakelar
Sekrup & bagian kecil
Kabel bowden
Mulai dari Kabel bowden
Elemen kontrol
Kabel speedometer
Penarikan & pemasangan kabel
Penggerak Tacho
Puting penjepit & sekrup penyetel
Saluran rem
Roda
Mulai dari Roda
Ban
Katup & bagian kecil
Pelek
Rem
Roda
Selang
Layanan
Mulai dari Layanan
Alat
Minyak
Pembersih
Set
Minyak & Kimia
Mulai dari Minyak & Kimia
Bahan pengoperasian
Gemuk & Pelumas
Minyak
Perekat
Perlengkapan bengkel
Pernis & Warna
Produk perawatan & pembersih
Sealant
Aksesori
Mulai dari Aksesori
Aksesori khusus
Barang dagangan
Bilah kecelakaan
Literatur
Pembawa bagasi
Peralatan bengkel
Perisai angin
Perlindungan dari pencurian
Tas
Tempat & aksesori ponsel
Helm & Pakaian
Mulai dari Helm & Pakaian
Aksesori
Helm
Jaket & celana panjang
Kaos & Kemeja
Sarung tangan
Tips hari ini
%
BGM PRO
Dudukan roda cadangan step-through -BGM PRO- Lambretta Lui, Luna, Vega, Cometa - baja tahan karat
71,10 €*
79,00 €*
Scooter 50-850ccm
Mesin
Mulai dari Mesin
Ansaugpipa & Membran
Filter Udara
Karburator
Karet
Knalpot
Kopling
Kruk As
Mesin
Mesin Motor
Pending
Penggerak
Penyalaan
Revisi Set
Sekrup & Bagian Kecil
Silinder
Sistem Injeksi
Starter Kickstarter
Transmisi
Sistem kelistrikan
Mulai dari Sistem kelistrikan
Baterai
Busik-busik
Instrumenta
Kabel
Lampu
Penerangan
Regulator, Rectifier
Saklar
Sekrup & Bagian Kecil
Sistem Pengapian & Dinamo
Soket
Starter
Bingkai & bagian tambahan
Mulai dari Bingkai & bagian tambahan
Bagian panel
Bangku
Bantalan kepala kemudi
Dudukan utama & samping
Garpu
Huruf
Peredam kejut
Sekrup & bagian kecil
Sistem bahan bakar
Setang & alat kelengkapan
Mulai dari Setang & alat kelengkapan
Bagian setang & fairing
Cermin
Gagang pemindah gas
Instrumen
Menangani
Rem & kopling
Sakelar
Sekrup & bagian kecil
Kabel bowden
Mulai dari Kabel bowden
Elemen kontrol
Kabel speedometer
Penarikan & pemasangan kabel
Penggerak Tacho
Puting penjepit & sekrup penyetel
Rem Cakram
Roda
Mulai dari Roda
Ban
Katup & bagian kecil
Pelek
Rem
Roda
Selang
Layanan
Mulai dari Layanan
Alat
Filter
Minyak
Pembersih
Sabuk V
Set
Minyak & Kimia
Mulai dari Minyak & Kimia
Bahan Bakar
Gemuk & Pelumas
Oli
Perekat
Perlengkapan bengkel
Pernis & Warna
Produk perawatan & pembersih
Sealant
Aksesori
Mulai dari Aksesori
Aksesori khusus
Barang dagangan
Drosselkatup & Pembatas Putaran
Literatur
Pembawa bagasi
Pemegang Ponsel & Aksesoris
Peralatan bengkel
Perisai angin
Perlindungan dari pencurian
Sturzbügel
Tas
TopCase
Helm & Pakaian
Mulai dari Helm & Pakaian
Aksesori
Helm
Jaket & Celana
Kacamata & Visor
Kaos & Kemeja
Sarung Tangan
Tips hari ini
%
Ferodo
Kopling -FERODO- Piaggio 125-150 ccm 2-tak - Gilera Runner 125 (ZAPM07000), Piaggio Hexagon 125 (EXS1T, ZAPM05000), Piaggio Hexagon 150 (EXV1T), Piaggio Skipper 125 (ZAPM12000), Piaggio Skipper 150 (ZAPM13000), Piaggio SKR 125 (CSM1T), Piaggio SKR 150
112,50 €*
125,00 €*
Aprilia
Scarabeo Light 125 (2007-2008, ZD4RB000)
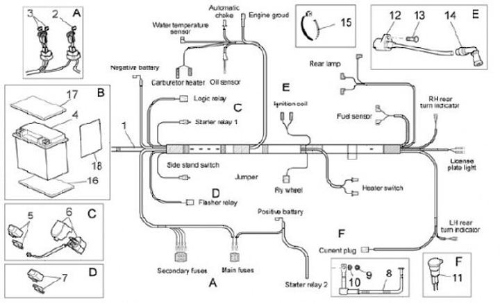
elektrische Anlage II
Mesin
Sistem kelistrikan
Bingkai & bagian tambahan
Setang & alat kelengkapan
Kabel bowden
Roda
Layanan
Minyak & Kimia
Aksesori
Helm & Pakaian
Aprilia Scarabeo Light 125 (2007-2010, ZD4RB)
Tampilan yang meledak
Air Pump
Bagasi
Bagasi Belakang
Bagasi Ii
Bahan Bakar
Belakang
Depan
Dinamo
Elektris Sirkuit Ii
Elektris Sistem
Gabelkomponen
Garpu Depan
Gepenggerak Roda Gigi Sabuk
Gir Sisi
Helmkompartemen
Jok
Kaki Penutup
Kaki Tengah
Karburator
Karburator Komponen
Kasing Kurbel
Kepala Silinder
Kettenspanner
Knalpot
Komponen Karburator Ii
Kunci Kontak
Kurbelas
Lampu Depan
Mesin
Nok Kam
Oli Filter
Oli Pompa
Pelat Depan Ii
Penggantian Gigi Kanan
Radgehäuse
Radiator
Radiator Ii
Rangka
Rem
Rem Cakram Belakang
Rem Cermin
Rem Depan
Roda Depan
Setang
Silinder
Sisi Penutup
Sistem Penggantung Belakang
Sistem Pengisian Udara Samping
Spakbor
Starter Motor
Swingarm
Takometer
Transmisi
Tutup Rumah
Udara Filter
Variabel Riemenpulley
Elektris Sirkuit Ii
Aprilia Scarabeo Light 125 (2007-2010, ZD4RB)
Nama komponen
Blinkrelais
(1)
Urutkan
Relevansi
Harga naik
Harga turun
Merek A-Z
Merek Z-A
Hal-hal baru
Tidak ada entri yang tersedia.
×
×