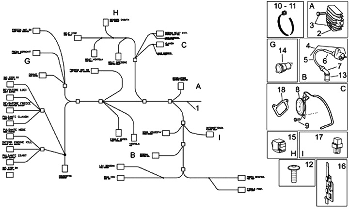
Elektris Sistem I
Aprilia Sport City Cube 300 (2008-2011, ZD4VBL)
Urutkan