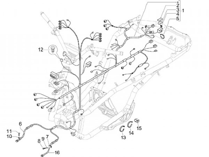
Kabelbundel
Piaggio MP3 125 (2006, ZAPM47300)
Urutkan