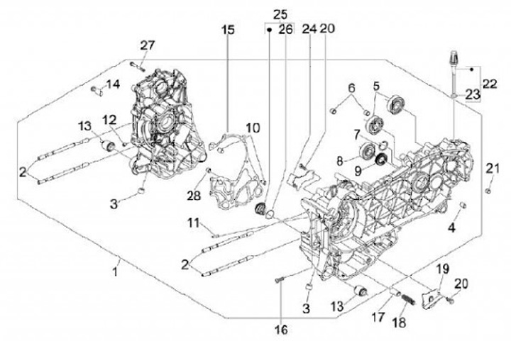
Kasing Kurbel
Gilera Nexus 125 (2007, ZAPM35700)
Urutkan