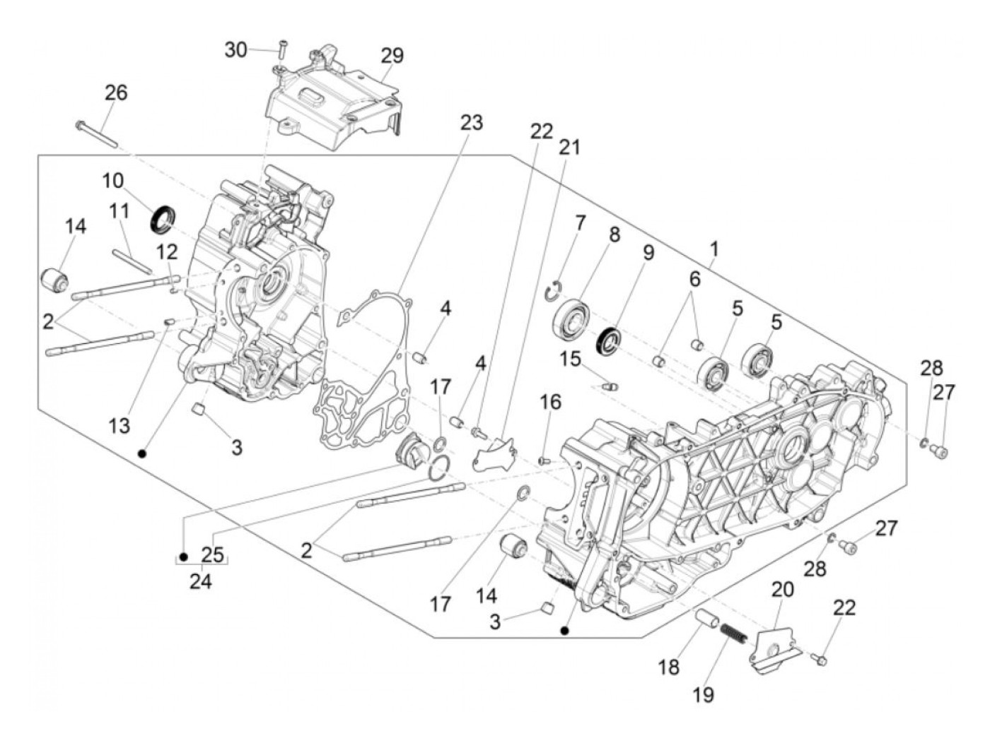
Kasing Kurbel
Vespa GTS 125 IGET (2019, ZAPMA3700)
Urutkan