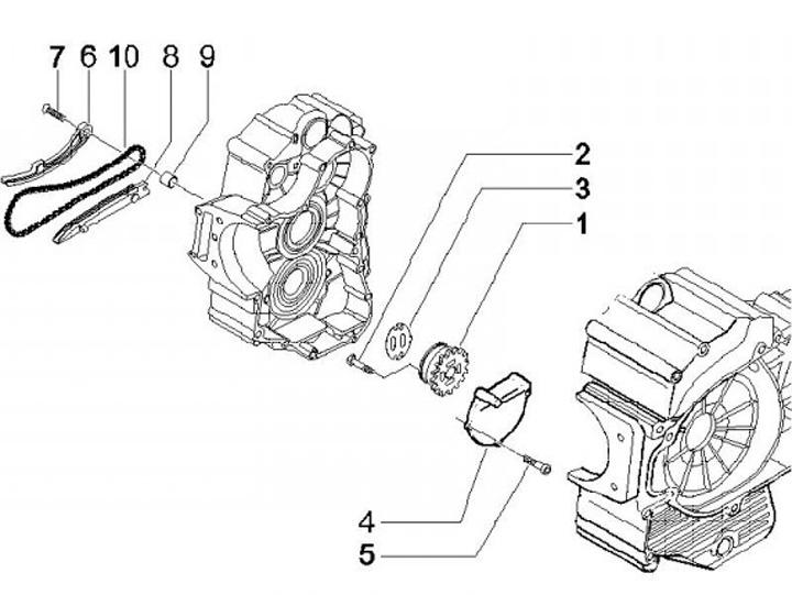
Oli Pompa - Rantai Penggerak
Gilera Fuoco 500 (2007, ZAPM61100)
Urutkan