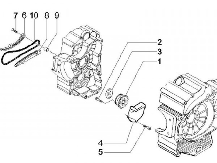
Oli Pompa - Rantai Penggerak
Piaggio MP3 400 LT (2007, ZAPM59100)
Urutkan