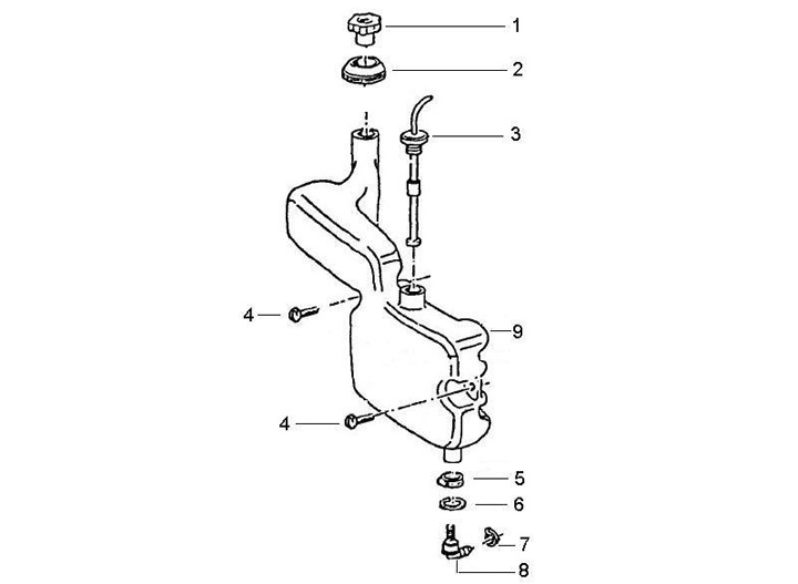
Oli Tangki
Piaggio NRG 50 MC2 DT (1996, ZAPC04000)
Urutkan