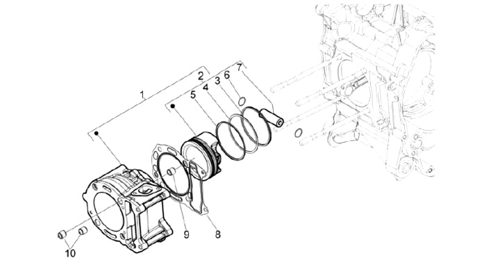
Silinder
Piaggio Beverly 125 RST 4V (2012, ZAPM69100)
Urutkan