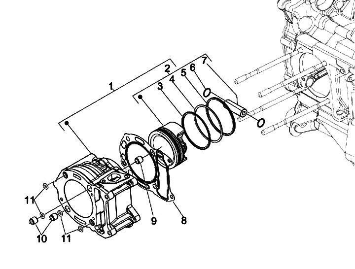
Silinder
Piaggio Beverly 300 RST (2010, ZAPM69200)
Urutkan