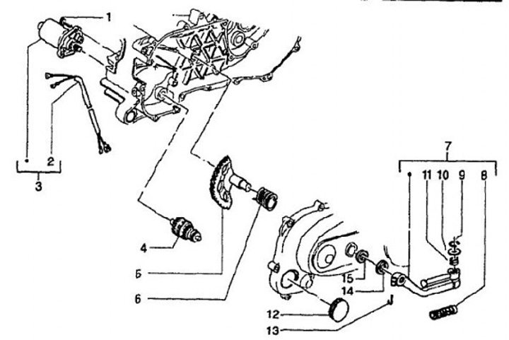
Starter Motor
Piaggio Zip 50 (1995, SSL1T2)
Urutkan