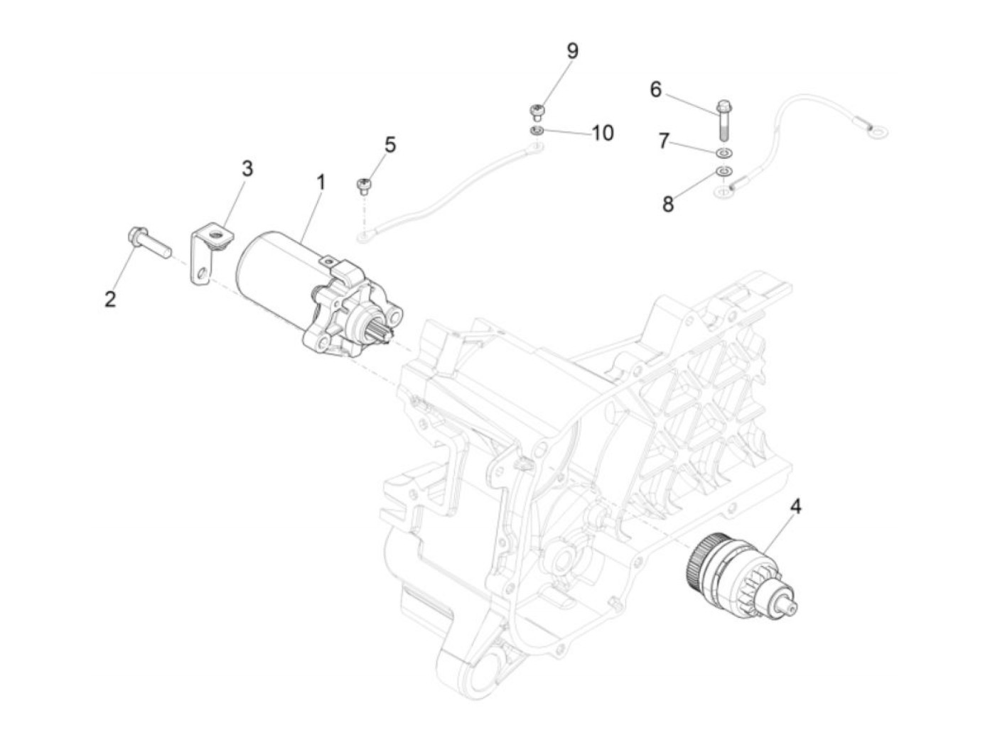
Starter
Vespa Sprint 50 IGET (4-tak, 2019-2020, ZAPCA0201) Racing Sixti
Urutkan