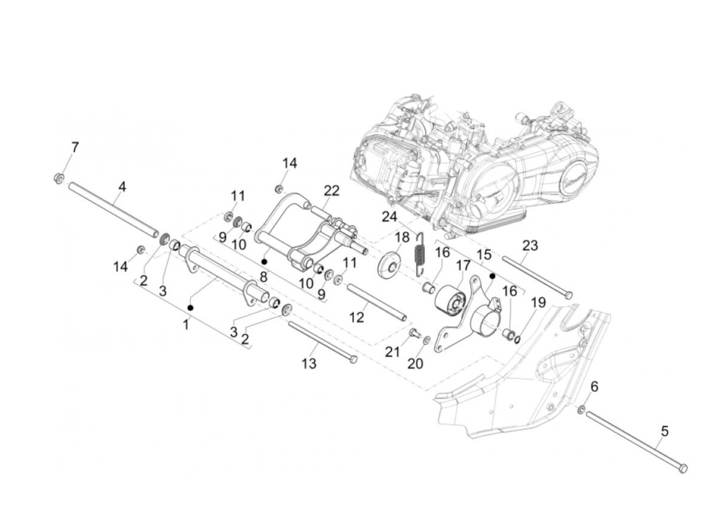
Swingarm
Vespa GTS 125ie Super ABS (2016, ZAPM45300)
Urutkan