Sangat baik
4.7 / 5
Pengiriman hari ini dengan pesanan di 5 h 7 min
Gratis ongkos kirim mulai dari 99 € (DE) Kepuasan pelanggan yang tinggi
Kontak |Privasi |AGB & Info Pelanggan |Jejak
Pengiriman hari ini dengan pesanan di 5 h 7 min
Piaggio Beverly 300 HPE Sport (2021-2022, ZAPMD2100) | Tampilan yang meledak Piaggio Beverly 300 HPE Sport (2021-2022, ZAPMD2100) | Tampilan yang meledak
Blog DE DE  |  €
Garasi saya
Lupa kata sandi Anda?
Membuat akun pelanggan baru
0
  • Semua
    • Mesin
      Mulai dari Mesin
      • Berkendara
      • Gearbox
      • Karburator
      • Knalpot
      • Kopling
      • Manifold & diafragma intake
      • Motor
      • Motor & perumahan
      • Pemula
      • Pendinginan
      • Pengapian
      • Poros engkol
      • Revisi Set
      • Saringan udara
      • Segel
      • Sekrup & bagian kecil
      • Silinder
      • Sistem injeksi
    • Sistem kelistrikan
      Mulai dari Sistem kelistrikan
      • Baterai
      • Busi
      • Colokkan
      • Instrumen
      • Kabel
      • Motor starter
      • Pencahayaan
      • Pengapian & alternator
      • Regulator, penyearah
      • Sakelar
      • Sekrup & bagian kecil
      • Sumber cahaya
    • Bingkai & bagian tambahan
      Mulai dari Bingkai & bagian tambahan
      • Bagian panel
      • Bantalan kepala kemudi
      • Dudukan utama & samping
      • Garpu
      • Huruf
      • Jok
      • Peredam kejut
      • Sekrup & bagian kecil
      • Sistem bahan bakar
    • Setang & alat kelengkapan
      Mulai dari Setang & alat kelengkapan
      • Bagian setang & fairing
      • Cermin
      • Gagang pemindah gas
      • Instrumen
      • Menangani
      • Rem & kopling
      • Sakelar
      • Sekrup & bagian kecil
    • Kabel bowden
      Mulai dari Kabel bowden
      • Elemen kontrol
      • Kabel speedometer
      • Penarikan & pemasangan kabel
      • Penggerak Tacho
      • Puting penjepit & sekrup penyetel
      • Saluran rem
    • Roda
      Mulai dari Roda
      • Ban
      • Katup & bagian kecil
      • Rem
      • Roda
      • Selang
      • Velg
    • Layanan
      Mulai dari Layanan
      • Alat
      • Filter
      • Minyak
      • Sabuk-V
      • Set
    • Minyak & Kimia
      Mulai dari Minyak & Kimia
      • Bahan pengoperasian
      • Gemuk & Pelumas
      • Minyak
      • Perekat
      • Perlengkapan bengkel
      • Pernis & Warna
      • Produk perawatan & pembersih
      • Sealant
    • Aksesori
      Mulai dari Aksesori
      • Aksesoris Khusus
      • Anginan
      • Bagasi
      • Drosselkatup & Pembatas Putaran
      • Kantong
      • Literatur: Sastra
      • Merchandise
      • Pemegang Ponsel & Aksesoris
      • Peralatan Bengkel
      • Perlindungan dari pencurian
      • Sturzbügel
      • TopCase
    • Helm & Pakaian
      Mulai dari Helm & Pakaian
      • Aksesoris
      • Helm
      • Jaket & Celana
      • Kacamata & Visor
      • Kaos & Kemeja
      • Sarung Tangan
    • Voucher
    Tips hari ini
    Alat pelepas poros roda depan -BGM PRO- Vespa 125 V1-V15, V30-33, VM1-2, VN1, VN2, VNA, VNB, 150 VL, VB, VBA, VBB, VLA1, VGL1, VGLA1, VGLB1, Super, GL, T4, Sprint, GT, GTR, Rally, TS, Motovespa (1959-1964) 125N, 125S, 150S
    %
    BGM PRO
    Alat pelepas poros roda depan -BGM PRO- Vespa 125 V1-V15, V30-33, VM1-2, VN1, VN2, VNA, VNB, 150 VL, VB, VBA, VBB, VLA1, VGL1, VGLA1, VGLB1, Super, GL, T4, Sprint, GT, GTR, Rally, TS, Motovespa (1959-1964) 125N, 125S, 150S
    21,91 €* 24,90 €*
  • Vespa Klassik
    • Mesin
      Mulai dari Mesin
      • Berkendara
      • Gearbox
      • Karburator
      • Knalpot
      • Kopling
      • Manifold & diafragma intake
      • Motor
      • Motor & perumahan
      • Pemula
      • Pendinginan
      • Pengapian
      • Poros engkol
      • Saringan udara
      • Segel
      • Sekrup & bagian kecil
      • Set revisi
      • Silinder
    • Sistem Elektrik
      Mulai dari Sistem Elektrik
      • Baterai
      • Busi
      • Colokkan
      • Instrumen
      • Kabel
      • Motor starter
      • Pencahayaan
      • Pengapian & alternator
      • Regulator, penyearah
      • Sakelar
      • Sekrup & bagian kecil
      • Sumber cahaya
    • Rangka
      Mulai dari Rangka
      • Bagian panel
      • Bangku
      • Bantalan kepala kemudi
      • Dudukan utama & samping
      • Garpu
      • Huruf
      • Peredam kejut
      • Sekrup & bagian kecil
      • Sistem bahan bakar
    • Setang
      Mulai dari Setang
      • Bagian setang & fairing
      • Cermin
      • Gagang pemindah gas
      • Instrumen
      • Menangani
      • Rem & kopling
      • Sakelar
      • Sekrup & bagian kecil
    • Bowden Kabel
      Mulai dari Bowden Kabel
      • Elemen kontrol
      • Kabel speedometer
      • Penarikan & pemasangan kabel
      • Penggerak Tacho
      • Puting penjepit & sekrup penyetel
      • Saluran rem
    • Roda
      Mulai dari Roda
      • Ban
      • Katup & bagian kecil
      • Pelek
      • Rem
      • Roda
      • Selang
    • Servis
      Mulai dari Servis
      • Alat
      • Filter
      • Minyak
      • Set
    • Oli & Kimia
      Mulai dari Oli & Kimia
      • Bahan pengoperasian
      • Gemuk & Pelumas
      • Minyak
      • Perekat
      • Perlengkapan bengkel
      • Pernis & Warna
      • Produk perawatan & pembersih
      • Sealant
    • Aksesoris
      Mulai dari Aksesoris
      • Aksesori khusus
      • Barang dagangan
      • Bilah kecelakaan
      • Literatur
      • Pembawa bagasi
      • Peralatan bengkel
      • Perisai angin
      • Tas
      • Tempat & aksesori ponsel
      • TopCase
    • Helm & Pakaian
      Mulai dari Helm & Pakaian
      • Aksesori
      • Helm
      • Jaket & celana panjang
      • Kacamata & pelindung
      • Kaos & Kemeja
      • Sarung tangan
    Tips hari ini
    Set lengan kopling -BGM PRO SUPERSTRONG- Vespa Largeframe, PX, T5 125cc, Cosa, Rally, Sprint, TS125, GT125, GTR125, Super, GL, VNA, VNB, VBA, VBB
    %
    Atas
    BGM PRO
    Set lengan kopling -BGM PRO SUPERSTRONG- Vespa Largeframe, PX, T5 125cc, Cosa, Rally, Sprint, TS125, GT125, GTR125, Super, GL, VNA, VNB, VBA, VBB
    44,10 €* 49,00 €*
  • Vespa Modern
    • Mesin
      Mulai dari Mesin
      • Berkendara
      • Gearbox
      • Karburator
      • Knalpot
      • Kopling
      • Manifold & diafragma intake
      • Motor
      • Motor & perumahan
      • Pemula
      • Pendinginan
      • Pengapian
      • Poros engkol
      • Saringan udara
      • Segel
      • Sekrup & bagian kecil
      • Set revisi
      • Silinder
      • Sistem injeksi
    • Sistem kelistrikan
      Mulai dari Sistem kelistrikan
      • Baterai
      • Busi
      • Colokkan
      • Instrumen
      • Kabel
      • Motor starter
      • Pencahayaan
      • Pengapian & alternator
      • Regulator, penyearah
      • Sakelar
      • Sekrup & bagian kecil
      • Sumber cahaya
    • Bingkai & bagian tambahan
      Mulai dari Bingkai & bagian tambahan
      • Bagian panel
      • Bantalan kepala kemudi
      • Dudukan utama & samping
      • Garpu
      • Huruf
      • Jok
      • Peredam kejut
      • Sekrup & bagian kecil
      • Sistem bahan bakar
    • Setang & alat kelengkapan
      Mulai dari Setang & alat kelengkapan
      • Bagian setang & fairing
      • Cermin
      • Gagang pemindah gas
      • Instrumen
      • Menangani
      • Rem & kopling
      • Sakelar
      • Sekrup & bagian kecil
    • Kabel bowden
      Mulai dari Kabel bowden
      • Elemen kontrol
      • Kabel speedometer
      • Penarikan & pemasangan kabel
      • Penggerak Tacho
      • Puting penjepit & sekrup penyetel
      • Saluran rem
    • Roda
      Mulai dari Roda
      • Ban
      • Katup & bagian kecil
      • Pelek
      • Rem
      • Roda
      • Selang
    • Layanan
      Mulai dari Layanan
      • Alat
      • Filter
      • Minyak
      • Pembersih
      • Sabuk-V
      • Set
    • Minyak & Kimia
      Mulai dari Minyak & Kimia
      • Bahan pengoperasian
      • Kepadatan
      • Minyak
      • Pelumas & Oli
      • Perekat
      • Perlengkapan bengkel
      • Pernis & Warna
      • Produk perawatan & pembersih
    • Aksesori
      Mulai dari Aksesori
      • Aksesoris Khusus
      • Anti-Pencurian
      • Bagasi
      • Barang dagangan
      • Bilah kecelakaan
      • Pemegang Ponsel & Aksesoris
      • Peralatan Bengkel
      • Perisai angin
      • Sastra: Sastra
      • Tas
      • TopCase
    • Helm & Pakaian
      Mulai dari Helm & Pakaian
      • Aksesori
      • Helm
      • Jaket & celana panjang
      • Kacamata & pelindung
      • Kaos & Kemeja
      • Sarung Tangan
    Tips hari ini
    CDI -POLINI ECM- Piaggio 50 ccm 4-tak (3-katup) - Vespa Primavera 50 3V iGet (Euro5), Sprint 50 iGet (Euro5), Piaggio Liberty 50 iGet (Euro5)
    %
    Polini
    CDI -POLINI ECM- Piaggio 50 ccm 4-tak (3-katup) - Vespa Primavera 50 3V iGet (Euro5), Sprint 50 iGet (Euro5), Piaggio Liberty 50 iGet (Euro5)
    238,50 €* 265,00 €*
  • Moped Klassik
    • Mesin
      Mulai dari Mesin
      • Berkendara
      • Gearbox
      • Karburator
      • Knalpot
      • Kopling
      • Manifold & diafragma intake
      • Motor & perumahan
      • Pemula
      • Pendinginan
      • Pengapian
      • Poros engkol
      • Saringan udara
      • Segel
      • Sekrup & bagian kecil
      • Set revisi
      • Silinder
    • Sistem kelistrikan
      Mulai dari Sistem kelistrikan
      • Baterai
      • Busi
      • Colokkan
      • Instrumen
      • Kabel
      • Pencahayaan
      • Pengapian & alternator
      • Regulator, penyearah
      • Sakelar
      • Sekrup & bagian kecil
      • Sumber cahaya
    • Rangka
      Mulai dari Rangka
      • Bagian panel
      • Bangku
      • Bantalan kepala kemudi
      • Dudukan utama & samping
      • Garpu
      • Huruf
      • Peredam kejut
      • Sekrup & bagian kecil
      • Sistem bahan bakar
    • Setang & alat kelengkapan
      Mulai dari Setang & alat kelengkapan
      • Bagian setang & fairing
      • Cermin
      • Gagang pemindah gas
      • Instrumen
      • Menangani
      • Rem & kopling
      • Sakelar
      • Sekrup & bagian kecil
    • Kabel bowden
      Mulai dari Kabel bowden
      • Elemen kontrol
      • Kabel speedometer
      • Penarikan & pemasangan kabel
      • Penggerak Tacho
      • Puting penjepit & sekrup penyetel
    • Roda
      Mulai dari Roda
      • Ban
      • Katup & bagian kecil
      • Pelek
      • Rem
      • Roda
      • Selang
    • Layanan
      Mulai dari Layanan
      • Alat
      • Filter
      • Minyak
    • Minyak & Kimia
      Mulai dari Minyak & Kimia
      • Bahan pengoperasian
      • Minyak
      • Pelumas & Oli
      • Perekat
      • Perlengkapan bengkel
      • Pernis & Warna
      • Produk perawatan & pembersih
      • Sealant
    • Aksesori
      Mulai dari Aksesori
      • Aksesori khusus
      • Barang dagangan
      • Literatur
      • Pembawa bagasi
      • Peralatan bengkel
      • Perlindungan dari pencurian
      • Tas
    • Helm & Pakaian
      Mulai dari Helm & Pakaian
      • Aksesori
      • Helm
      • Kaos & Kemeja
      • Sarung tangan
    Tips hari ini
    Lonceng kopling -BGM PRO- Piaggio Ciao, Bravo, Boxer, Si -satu bagian dengan sirip pendingin, CNC Buatan Jerman, model dengan variator
    %
    BGM PRO
    Lonceng kopling -BGM PRO- Piaggio Ciao, Bravo, Boxer, Si -satu bagian dengan sirip pendingin, CNC Buatan Jerman, model dengan variator
    116,10 €* 129,00 €*
  • Lambretta
    • Mesin
      Mulai dari Mesin
      • Berkendara
      • Gearbox
      • Karburator
      • Kickstarter
      • Knalpot
      • Kopling
      • Manifold & diafragma intake
      • Motor & perumahan
      • Pendinginan
      • Pengapian
      • Poros engkol
      • Saringan udara
      • Segel
      • Sekrup & bagian kecil
      • Set revisi
      • Silinder
    • Sistem kelistrikan
      Mulai dari Sistem kelistrikan
      • Baterai
      • Busi
      • Colokkan
      • Instrumen
      • Memanfaatkan kabel
      • Pencahayaan
      • Pengapian & alternator
      • Regulator & penyearah
      • Sakelar
      • Sekrup & bagian kecil
      • Sumber cahaya
    • Bingkai & bagian tambahan
      Mulai dari Bingkai & bagian tambahan
      • Bagian panel
      • Bangku
      • Bantalan kepala kemudi
      • Berdiri
      • Garpu
      • Huruf
      • Peredam kejut
      • Sekrup & bagian kecil
      • Sistem bahan bakar
    • Setang & alat kelengkapan
      Mulai dari Setang & alat kelengkapan
      • Bagian setang & fairing
      • Cermin
      • Gagang pemindah gas
      • Instrumen
      • Menangani
      • Rem & kopling
      • Sakelar
      • Sekrup & bagian kecil
    • Kabel bowden
      Mulai dari Kabel bowden
      • Elemen kontrol
      • Kabel speedometer
      • Penarikan & pemasangan kabel
      • Penggerak Tacho
      • Puting penjepit & sekrup penyetel
      • Saluran rem
    • Roda
      Mulai dari Roda
      • Ban
      • Katup & bagian kecil
      • Pelek
      • Rem
      • Roda
      • Selang
    • Layanan
      Mulai dari Layanan
      • Alat
      • Minyak
      • Pembersih
      • Set
    • Minyak & Kimia
      Mulai dari Minyak & Kimia
      • Bahan pengoperasian
      • Gemuk & Pelumas
      • Minyak
      • Perekat
      • Perlengkapan bengkel
      • Pernis & Warna
      • Produk perawatan & pembersih
      • Sealant
    • Aksesori
      Mulai dari Aksesori
      • Aksesori khusus
      • Barang dagangan
      • Bilah kecelakaan
      • Literatur
      • Pembawa bagasi
      • Peralatan bengkel
      • Perisai angin
      • Perlindungan dari pencurian
      • Tas
      • Tempat & aksesori ponsel
    • Helm & Pakaian
      Mulai dari Helm & Pakaian
      • Aksesori
      • Helm
      • Jaket & celana panjang
      • Kaos & Kemeja
      • Sarung tangan
    Tips hari ini
    Dudukan roda cadangan step-through -BGM PRO- Lambretta Lui, Luna, Vega, Cometa - baja tahan karat
    %
    BGM PRO
    Dudukan roda cadangan step-through -BGM PRO- Lambretta Lui, Luna, Vega, Cometa - baja tahan karat
    71,10 €* 79,00 €*
  • Scooter 50-850ccm
    • Mesin
      Mulai dari Mesin
      • Ansaugpipa & Membran
      • Filter Udara
      • Karburator
      • Karet
      • Knalpot
      • Kopling
      • Kruk As
      • Mesin
      • Mesin Motor
      • Pending
      • Penggerak
      • Penyalaan
      • Revisi Set
      • Sekrup & Bagian Kecil
      • Silinder
      • Sistem Injeksi
      • Starter Kickstarter
      • Transmisi
    • Sistem kelistrikan
      Mulai dari Sistem kelistrikan
      • Baterai
      • Busik-busik
      • Instrumenta
      • Kabel
      • Lampu
      • Penerangan
      • Regulator, Rectifier
      • Saklar
      • Sekrup & Bagian Kecil
      • Sistem Pengapian & Dinamo
      • Soket
      • Starter
    • Bingkai & bagian tambahan
      Mulai dari Bingkai & bagian tambahan
      • Bagian panel
      • Bangku
      • Bantalan kepala kemudi
      • Dudukan utama & samping
      • Garpu
      • Huruf
      • Peredam kejut
      • Sekrup & bagian kecil
      • Sistem bahan bakar
    • Setang & alat kelengkapan
      Mulai dari Setang & alat kelengkapan
      • Bagian setang & fairing
      • Cermin
      • Gagang pemindah gas
      • Instrumen
      • Menangani
      • Rem & kopling
      • Sakelar
      • Sekrup & bagian kecil
    • Kabel bowden
      Mulai dari Kabel bowden
      • Elemen kontrol
      • Kabel speedometer
      • Penarikan & pemasangan kabel
      • Penggerak Tacho
      • Puting penjepit & sekrup penyetel
      • Rem Cakram
    • Roda
      Mulai dari Roda
      • Ban
      • Katup & bagian kecil
      • Pelek
      • Rem
      • Roda
      • Selang
    • Layanan
      Mulai dari Layanan
      • Alat
      • Filter
      • Minyak
      • Pembersih
      • Sabuk V
      • Set
    • Minyak & Kimia
      Mulai dari Minyak & Kimia
      • Bahan Bakar
      • Gemuk & Pelumas
      • Oli
      • Perekat
      • Perlengkapan bengkel
      • Pernis & Warna
      • Produk perawatan & pembersih
      • Sealant
    • Aksesori
      Mulai dari Aksesori
      • Aksesori khusus
      • Barang dagangan
      • Drosselkatup & Pembatas Putaran
      • Literatur
      • Pembawa bagasi
      • Pemegang Ponsel & Aksesoris
      • Peralatan bengkel
      • Perisai angin
      • Perlindungan dari pencurian
      • Sturzbügel
      • Tas
      • TopCase
    • Helm & Pakaian
      Mulai dari Helm & Pakaian
      • Aksesori
      • Helm
      • Jaket & Celana
      • Kacamata & Visor
      • Kaos & Kemeja
      • Sarung Tangan
    Tips hari ini
    Kopling -FERODO- Piaggio 125-150 ccm 2-tak - Gilera Runner 125 (ZAPM07000), Piaggio Hexagon 125 (EXS1T, ZAPM05000), Piaggio Hexagon 150 (EXV1T), Piaggio Skipper 125 (ZAPM12000), Piaggio Skipper 150 (ZAPM13000), Piaggio SKR 125 (CSM1T), Piaggio SKR 150
    %
    Ferodo
    Kopling -FERODO- Piaggio 125-150 ccm 2-tak - Gilera Runner 125 (ZAPM07000), Piaggio Hexagon 125 (EXS1T, ZAPM05000), Piaggio Hexagon 150 (EXV1T), Piaggio Skipper 125 (ZAPM12000), Piaggio Skipper 150 (ZAPM13000), Piaggio SKR 125 (CSM1T), Piaggio SKR 150
    112,50 €* 125,00 €*
  1. Piaggio 250/300/310 4T LC
  2. Beverly 300 HPE Sport (2021-2022, ZAPMD2100)
Mesin
Sistem kelistrikan
Bingkai & bagian tambahan
Setang & alat kelengkapan
Kabel bowden
Roda
Layanan
Minyak & Kimia
Aksesori
Helm & Pakaian
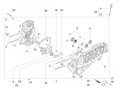
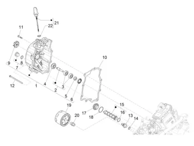
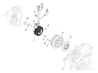
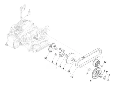
Piaggio Beverly 300 HPE Sport (2021-2022, ZAPMD2100)
  • Tampilan yang meledak
    • Air Pump
    • Bagasi
    • Bagasi Belakang
    • Bahan Bakar
    • Baterai
    • Belakang
    • Dekorasi
    • Depan
    • Dinamo
    • Drosselklappengehäuse
    • Gabelkomponen
    • Garpu Depan
    • Gepenggerak Roda Gigi Sabuk
    • Helmkompartemen
    • Kabel Gas
    • Kabelbundel
    • Kaki Penutup
    • Kaki Tengah
    • Kasing Kurbel
    • Kepala Silinder
    • Kepala Silinder
    • Knalpot
    • Kokpit
    • Kunci Kontak
    • Kurbelas
    • Kursi
    • Lampu Depan
    • Lenkerpenutup
    • Mesin
    • Oli Pompa
    • Pelindung Uap
    • Plat Nomor
    • Radiator
    • Rangka
    • Regulator
    • Rem Cermin
    • Roda Depan
    • Saklar
    • Schwinghebelpemegang
    • Schwungradpelindung
    • Setang
    • Silinder
    • Sisi Penutup
    • Sistem Penggantung Belakang
    • Spakbor
    • Spion Belakang
    • Starter
    • Swingarm
    • Transmisi
    • Tutup Rumah
    • Udara Filter
    • Variabel Riemenpulley
Tampilan yang meledak
Piaggio Beverly 300 HPE Sport (2021-2022, ZAPMD2100)
Air Pump
Air Pump
Bagasi
Bagasi
Bagasi Belakang
Bagasi Belakang
Bahan Bakar
Bahan Bakar
Baterai
Baterai
Belakang
Belakang
Dekorasi
Dekorasi
Depan
Depan
Dinamo
Dinamo
Drosselklappengehäuse
Drosselklappengehäuse
Gabelkomponen
Gabelkomponen
Garpu Depan
Garpu Depan
Gepenggerak Roda Gigi Sabuk
Gepenggerak Roda Gigi Sabuk
Helmkompartemen
Helmkompartemen
Kabel Gas
Kabel Gas
Kabelbundel
Kabelbundel
Kaki Penutup
Kaki Penutup
Kaki Tengah
Kaki Tengah
Kasing Kurbel
Kasing Kurbel
Kepala Silinder
Kepala Silinder
Kepala Silinder
Kepala Silinder
Knalpot
Knalpot
Kokpit
Kokpit
Kunci Kontak
Kunci Kontak
Kurbelas
Kurbelas
Kursi
Kursi
Lampu Depan
Lampu Depan
Lenkerpenutup
Lenkerpenutup
Mesin
Mesin
Oli Pompa
Oli Pompa
Pelindung Uap
Pelindung Uap
Plat Nomor
Plat Nomor
Radiator
Radiator
Rangka
Rangka
Regulator
Regulator
Rem Cermin
Rem Cermin
Roda Depan
Roda Depan
Saklar
Saklar
Schwinghebelpemegang
Schwinghebelpemegang
Schwungradpelindung
Schwungradpelindung
Setang
Setang
Silinder
Silinder
Sisi Penutup
Sisi Penutup
Sistem Penggantung Belakang
Sistem Penggantung Belakang
Spakbor
Spakbor
Spion Belakang
Spion Belakang
Starter
Starter
Swingarm
Swingarm
Transmisi
Transmisi
Tutup Rumah
Tutup Rumah
Udara Filter
Udara Filter
Variabel Riemenpulley
Variabel Riemenpulley
Berlangganan ke Scooter Center Buletin
Masukkan alamat email Anda.
Daftar ke buletin kami sekarang dan dapatkan diskon €5 untuk pesanan Anda berikutnya sebesar €50 atau lebih!
Selalu dapatkan informasi terbaru - dengan berita, promosi, dan penawaran eksklusif untuk skuter & penyetelan.
Anda dapat berhenti berlangganan kapan saja. Data Anda tidak akan diberikan kepada pihak ketiga.
Scooter Center
Sangat baik 4.7 / 5
Scooter Center
Tentang kami
Hubungi Kami
Bagaimana cara menghubungi kami
Jam buka
Untuk dealer
Halaman karir
Tanggung jawab kami/ESG
 
Layanan pengiriman
Biaya pengiriman
Metode/harga pembayaran
Pengembalian / Pengembalian
Beli voucher
Pesanan langsung
Tampilan yang meledak
Kendaraan kami
FAQ
Pembayaran dan pengiriman
Sie können im Shop mit paypal zahlen Sie können im Shop per Vorkasse zahlen Sie können im Shop mit Kreditkarte zahlen Sie können im Shop mit klarna zahlen Sie können im Shop mit Google Pay zahlen Sie können im Shop mit Apple Pay zahlen Sie können im Shop per Nachnahme zahlen Sie können im Shop mit Trustly zahlen Sie können im Shop mit Twint zahlen Sie können im Shop mit iDEAL zahlen Sie können im Shop mit bancontact zahlen Sie können im Shop mit Bancomat Pay zahlen Sie können im Shop mit Amex zahlen Sie können im Shop mit BLIK zahlen
Pengiriman gratis mulai dari nilai pesanan 99 euro untuk semua pelanggan akhir di Jerman.
Wir versenden mit DHL Wir versenden mit ups Wir versenden mit DPD Wir versenden mit Fedex Click & Collect
Ausgezeichnet durch das eKomi Siegel
Artikel tanpa TÜV dan ABE kecuali diberi label lain. Waktu pengiriman mengacu pada pengiriman di Jerman.
Semua hak cipta dilindungi undang-undang © 2025 Scooter Center GmbH
Masalah hukum
Kondisi lingkungan Peraturan tentang Komponen Listrik Kecil Hak pembatalan AGB & informasi pelanggan Pengaturan cookie Pemberitahuan hukum Kebijakan Privasi
* termasuk [[LEWATKAN_KATA_0]] Termasuk PPN. ditambah biaya pengiriman