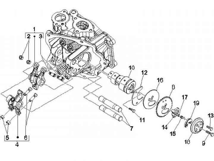
Tuas Kipp - Nok Welle
Piaggio X8 250 (2008, ZAPM36400)
Urutkan