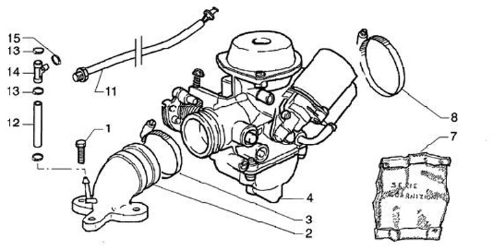
Pemanas karburator elektrik -PIAGGIO- Vespa ET4 125 (ZAPM19000), Vespa LX 50 (ZAPC38101, ZAPC38104, ZAPC38700), Vespa LXV 125 (ZAPM44301), Vespa LXV 50 (ZAPC38102), Vespa Primavera 50 (ZAPC53100, ZAPC53200), Vespa S 50 (ZAPC38103, ZAPC38600), Vespa Sprint