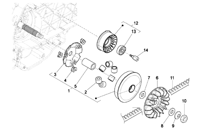
Variabel Riemenpulley
Piaggio Beverly 125 RST 4V (2013, ZAPM69100)
Urutkan