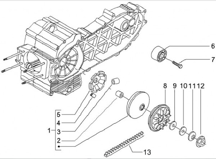
Variabel Riemenpulley
Piaggio Beverly 500 (2003, ZAPM34100)
Urutkan