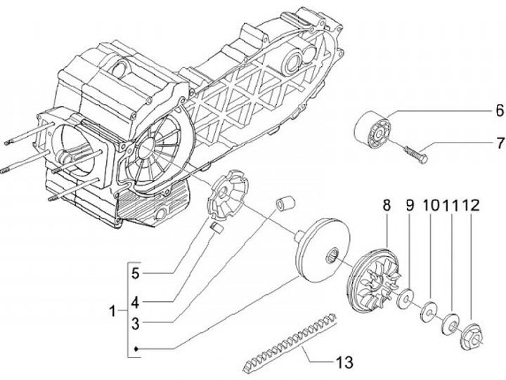
Variabel Riemenpulley
Piaggio Beverly 500 Cruiser (2008, ZAPM34500)
Urutkan