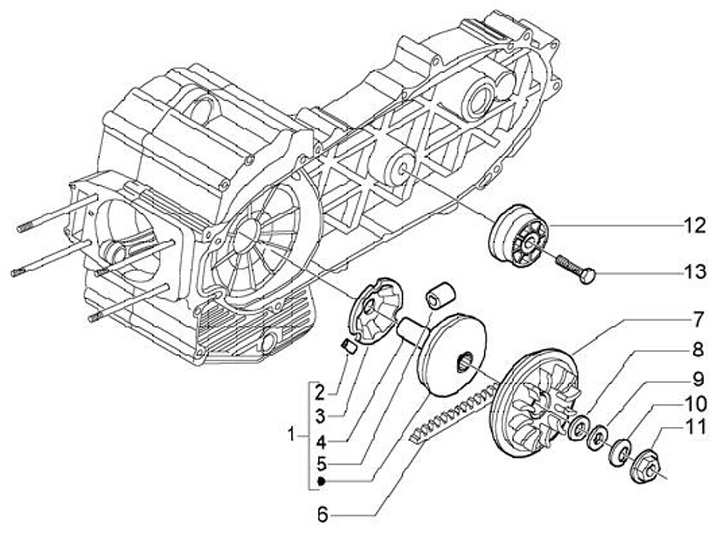
Variabel Riemenpulley
Piaggio X9 500 (2000, ZAPM27000)
Urutkan