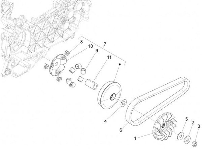
Variabel Riemenpulley
Vespa 946 125 (2017, ZAPM80101)
Urutkan