Sangat baik
4.7 / 5
Pengiriman hari ini dengan pesanan di 9 h 13 min
Gratis ongkos kirim mulai dari 99 € (DE)
Kepuasan pelanggan yang tinggi
Kontak
|
Privasi
|
AGB & Info Pelanggan
|
Jejak
Pengiriman hari ini dengan pesanan di 9 h 13 min
Blog
DE | €
Garasi saya
Lupa kata sandi Anda?
masuk
Membuat akun pelanggan baru
0
Semua
Mesin
Mulai dari Mesin
Berkendara
Gearbox
Karburator
Knalpot
Kopling
Manifold & diafragma intake
Motor
Motor & perumahan
Pemula
Pendinginan
Pengapian
Poros engkol
Revisi Set
Saringan udara
Segel
Sekrup & bagian kecil
Silinder
Sistem injeksi
Sistem kelistrikan
Mulai dari Sistem kelistrikan
Baterai
Busi
Colokkan
Instrumen
Kabel
Motor starter
Pencahayaan
Pengapian & alternator
Regulator, penyearah
Sakelar
Sekrup & bagian kecil
Sumber cahaya
Bingkai & bagian tambahan
Mulai dari Bingkai & bagian tambahan
Bagian panel
Bantalan kepala kemudi
Dudukan utama & samping
Garpu
Huruf
Jok
Peredam kejut
Sekrup & bagian kecil
Sistem bahan bakar
Setang & alat kelengkapan
Mulai dari Setang & alat kelengkapan
Bagian setang & fairing
Cermin
Gagang pemindah gas
Instrumen
Menangani
Rem & kopling
Sakelar
Sekrup & bagian kecil
Kabel bowden
Mulai dari Kabel bowden
Elemen kontrol
Kabel speedometer
Penarikan & pemasangan kabel
Penggerak Tacho
Puting penjepit & sekrup penyetel
Saluran rem
Roda
Mulai dari Roda
Ban
Katup & bagian kecil
Rem
Roda
Selang
Velg
Layanan
Mulai dari Layanan
Alat
Filter
Minyak
Sabuk-V
Set
Minyak & Kimia
Mulai dari Minyak & Kimia
Bahan pengoperasian
Gemuk & Pelumas
Minyak
Perekat
Perlengkapan bengkel
Pernis & Warna
Produk perawatan & pembersih
Sealant
Aksesori
Mulai dari Aksesori
Aksesoris Khusus
Anginan
Bagasi
Drosselkatup & Pembatas Putaran
Kantong
Literatur: Sastra
Merchandise
Pemegang Ponsel & Aksesoris
Peralatan Bengkel
Perlindungan dari pencurian
Sturzbügel
TopCase
Helm & Pakaian
Mulai dari Helm & Pakaian
Aksesoris
Helm
Jaket & Celana
Kacamata & Visor
Kaos & Kemeja
Sarung Tangan
Voucher
Tips hari ini
%
BGM PRO
Alat pelepas poros roda depan -BGM PRO- Vespa 125 V1-V15, V30-33, VM1-2, VN1, VN2, VNA, VNB, 150 VL, VB, VBA, VBB, VLA1, VGL1, VGLA1, VGLB1, Super, GL, T4, Sprint, GT, GTR, Rally, TS, Motovespa (1959-1964) 125N, 125S, 150S
21,91 €*
24,90 €*
Vespa Klassik
Mesin
Mulai dari Mesin
Berkendara
Gearbox
Karburator
Knalpot
Kopling
Manifold & diafragma intake
Motor
Motor & perumahan
Pemula
Pendinginan
Pengapian
Poros engkol
Saringan udara
Segel
Sekrup & bagian kecil
Set revisi
Silinder
Sistem Elektrik
Mulai dari Sistem Elektrik
Baterai
Busi
Colokkan
Instrumen
Kabel
Motor starter
Pencahayaan
Pengapian & alternator
Regulator, penyearah
Sakelar
Sekrup & bagian kecil
Sumber cahaya
Rangka
Mulai dari Rangka
Bagian panel
Bangku
Bantalan kepala kemudi
Dudukan utama & samping
Garpu
Huruf
Peredam kejut
Sekrup & bagian kecil
Sistem bahan bakar
Setang
Mulai dari Setang
Bagian setang & fairing
Cermin
Gagang pemindah gas
Instrumen
Menangani
Rem & kopling
Sakelar
Sekrup & bagian kecil
Bowden Kabel
Mulai dari Bowden Kabel
Elemen kontrol
Kabel speedometer
Penarikan & pemasangan kabel
Penggerak Tacho
Puting penjepit & sekrup penyetel
Saluran rem
Roda
Mulai dari Roda
Ban
Katup & bagian kecil
Pelek
Rem
Roda
Selang
Servis
Mulai dari Servis
Alat
Filter
Minyak
Set
Oli & Kimia
Mulai dari Oli & Kimia
Bahan pengoperasian
Gemuk & Pelumas
Minyak
Perekat
Perlengkapan bengkel
Pernis & Warna
Produk perawatan & pembersih
Sealant
Aksesoris
Mulai dari Aksesoris
Aksesori khusus
Barang dagangan
Bilah kecelakaan
Literatur
Pembawa bagasi
Peralatan bengkel
Perisai angin
Tas
Tempat & aksesori ponsel
TopCase
Helm & Pakaian
Mulai dari Helm & Pakaian
Aksesori
Helm
Jaket & celana panjang
Kacamata & pelindung
Kaos & Kemeja
Sarung tangan
Tips hari ini
Atas
BGM PRO
Ban -BGM Sport (Dibuat di Jerman oleh Heidenau) - 3,50 - 10 inci TL 59S 180 km/jam (diperkuat) - hanya untuk pelek tubeless
59,00 €*
Vespa Modern
Mesin
Mulai dari Mesin
Berkendara
Gearbox
Karburator
Knalpot
Kopling
Manifold & diafragma intake
Motor
Motor & perumahan
Pemula
Pendinginan
Pengapian
Poros engkol
Saringan udara
Segel
Sekrup & bagian kecil
Set revisi
Silinder
Sistem injeksi
Sistem kelistrikan
Mulai dari Sistem kelistrikan
Baterai
Busi
Colokkan
Instrumen
Kabel
Motor starter
Pencahayaan
Pengapian & alternator
Regulator, penyearah
Sakelar
Sekrup & bagian kecil
Sumber cahaya
Bingkai & bagian tambahan
Mulai dari Bingkai & bagian tambahan
Bagian panel
Bantalan kepala kemudi
Dudukan utama & samping
Garpu
Huruf
Jok
Peredam kejut
Sekrup & bagian kecil
Sistem bahan bakar
Setang & alat kelengkapan
Mulai dari Setang & alat kelengkapan
Bagian setang & fairing
Cermin
Gagang pemindah gas
Instrumen
Menangani
Rem & kopling
Sakelar
Sekrup & bagian kecil
Kabel bowden
Mulai dari Kabel bowden
Elemen kontrol
Kabel speedometer
Penarikan & pemasangan kabel
Penggerak Tacho
Puting penjepit & sekrup penyetel
Saluran rem
Roda
Mulai dari Roda
Ban
Katup & bagian kecil
Pelek
Rem
Roda
Selang
Layanan
Mulai dari Layanan
Alat
Filter
Minyak
Pembersih
Sabuk-V
Set
Minyak & Kimia
Mulai dari Minyak & Kimia
Bahan pengoperasian
Kepadatan
Minyak
Pelumas & Oli
Perekat
Perlengkapan bengkel
Pernis & Warna
Produk perawatan & pembersih
Aksesori
Mulai dari Aksesori
Aksesoris Khusus
Anti-Pencurian
Bagasi
Barang dagangan
Bilah kecelakaan
Pemegang Ponsel & Aksesoris
Peralatan Bengkel
Perisai angin
Sastra: Sastra
Tas
TopCase
Helm & Pakaian
Mulai dari Helm & Pakaian
Aksesori
Helm
Jaket & celana panjang
Kacamata & pelindung
Kaos & Kemeja
Sarung Tangan
Tips hari ini
Polini
Intake manifold -POLINI- Piaggio 125-150 4T 2V AC- (generasi pertama / pra Leader) - Piaggio Sfera, Liberty, Aprilia Habana, Mojito, Vespa ET4, Italjet Torpedo, Benelli Adiva - 1 sambungan vakum
17,19 €*
Moped Klassik
Mesin
Mulai dari Mesin
Berkendara
Gearbox
Karburator
Knalpot
Kopling
Manifold & diafragma intake
Motor & perumahan
Pemula
Pendinginan
Pengapian
Poros engkol
Saringan udara
Segel
Sekrup & bagian kecil
Set revisi
Silinder
Sistem kelistrikan
Mulai dari Sistem kelistrikan
Baterai
Busi
Colokkan
Instrumen
Kabel
Pencahayaan
Pengapian & alternator
Regulator, penyearah
Sakelar
Sekrup & bagian kecil
Sumber cahaya
Rangka
Mulai dari Rangka
Bagian panel
Bangku
Bantalan kepala kemudi
Dudukan utama & samping
Garpu
Huruf
Peredam kejut
Sekrup & bagian kecil
Sistem bahan bakar
Setang & alat kelengkapan
Mulai dari Setang & alat kelengkapan
Bagian setang & fairing
Cermin
Gagang pemindah gas
Instrumen
Menangani
Rem & kopling
Sakelar
Sekrup & bagian kecil
Kabel bowden
Mulai dari Kabel bowden
Elemen kontrol
Kabel speedometer
Penarikan & pemasangan kabel
Penggerak Tacho
Puting penjepit & sekrup penyetel
Roda
Mulai dari Roda
Ban
Katup & bagian kecil
Pelek
Rem
Roda
Selang
Layanan
Mulai dari Layanan
Alat
Filter
Minyak
Minyak & Kimia
Mulai dari Minyak & Kimia
Bahan pengoperasian
Minyak
Pelumas & Oli
Perekat
Perlengkapan bengkel
Pernis & Warna
Produk perawatan & pembersih
Sealant
Aksesori
Mulai dari Aksesori
Aksesori khusus
Barang dagangan
Literatur
Pembawa bagasi
Peralatan bengkel
Perlindungan dari pencurian
Tas
Helm & Pakaian
Mulai dari Helm & Pakaian
Aksesori
Helm
Kaos & Kemeja
Sarung tangan
Tips hari ini
BGM PRO
Lonceng kopling -BGM PRO- Piaggio Ciao, Bravo, Boxer, Si -satu bagian dengan sirip pendingin, CNC Buatan Jerman, model dengan variator
129,00 €*
Lambretta
Mesin
Mulai dari Mesin
Berkendara
Gearbox
Karburator
Kickstarter
Knalpot
Kopling
Manifold & diafragma intake
Motor & perumahan
Pendinginan
Pengapian
Poros engkol
Saringan udara
Segel
Sekrup & bagian kecil
Set revisi
Silinder
Sistem kelistrikan
Mulai dari Sistem kelistrikan
Baterai
Busi
Colokkan
Instrumen
Memanfaatkan kabel
Pencahayaan
Pengapian & alternator
Regulator & penyearah
Sakelar
Sekrup & bagian kecil
Sumber cahaya
Bingkai & bagian tambahan
Mulai dari Bingkai & bagian tambahan
Bagian panel
Bangku
Bantalan kepala kemudi
Berdiri
Garpu
Huruf
Peredam kejut
Sekrup & bagian kecil
Sistem bahan bakar
Setang & alat kelengkapan
Mulai dari Setang & alat kelengkapan
Bagian setang & fairing
Cermin
Gagang pemindah gas
Instrumen
Menangani
Rem & kopling
Sakelar
Sekrup & bagian kecil
Kabel bowden
Mulai dari Kabel bowden
Elemen kontrol
Kabel speedometer
Penarikan & pemasangan kabel
Penggerak Tacho
Puting penjepit & sekrup penyetel
Saluran rem
Roda
Mulai dari Roda
Ban
Katup & bagian kecil
Pelek
Rem
Roda
Selang
Layanan
Mulai dari Layanan
Alat
Minyak
Pembersih
Set
Minyak & Kimia
Mulai dari Minyak & Kimia
Bahan pengoperasian
Gemuk & Pelumas
Minyak
Perekat
Perlengkapan bengkel
Pernis & Warna
Produk perawatan & pembersih
Sealant
Aksesori
Mulai dari Aksesori
Aksesori khusus
Barang dagangan
Bilah kecelakaan
Literatur
Pembawa bagasi
Peralatan bengkel
Perisai angin
Perlindungan dari pencurian
Tas
Tempat & aksesori ponsel
Helm & Pakaian
Mulai dari Helm & Pakaian
Aksesori
Helm
Jaket & celana panjang
Kaos & Kemeja
Sarung tangan
Tips hari ini
BGM PRO
Kompresor kopling -BGM PRO- Lambretta LI, LIS, SX, TV (seri 2-3), DL, GP, J, Lui
46,90 €*
Scooter 50-850ccm
Mesin
Mulai dari Mesin
Ansaugpipa & Membran
Filter Udara
Karburator
Karet
Knalpot
Kopling
Kruk As
Mesin
Mesin Motor
Pending
Penggerak
Penyalaan
Revisi Set
Sekrup & Bagian Kecil
Silinder
Sistem Injeksi
Starter Kickstarter
Transmisi
Sistem kelistrikan
Mulai dari Sistem kelistrikan
Baterai
Busik-busik
Instrumenta
Kabel
Lampu
Penerangan
Regulator, Rectifier
Saklar
Sekrup & Bagian Kecil
Sistem Pengapian & Dinamo
Soket
Starter
Bingkai & bagian tambahan
Mulai dari Bingkai & bagian tambahan
Bagian panel
Bangku
Bantalan kepala kemudi
Dudukan utama & samping
Garpu
Huruf
Peredam kejut
Sekrup & bagian kecil
Sistem bahan bakar
Setang & alat kelengkapan
Mulai dari Setang & alat kelengkapan
Bagian setang & fairing
Cermin
Gagang pemindah gas
Instrumen
Menangani
Rem & kopling
Sakelar
Sekrup & bagian kecil
Kabel bowden
Mulai dari Kabel bowden
Elemen kontrol
Kabel speedometer
Penarikan & pemasangan kabel
Penggerak Tacho
Puting penjepit & sekrup penyetel
Rem Cakram
Roda
Mulai dari Roda
Ban
Katup & bagian kecil
Pelek
Rem
Roda
Selang
Layanan
Mulai dari Layanan
Alat
Filter
Minyak
Pembersih
Sabuk V
Set
Minyak & Kimia
Mulai dari Minyak & Kimia
Bahan Bakar
Gemuk & Pelumas
Oli
Perekat
Perlengkapan bengkel
Pernis & Warna
Produk perawatan & pembersih
Sealant
Aksesori
Mulai dari Aksesori
Aksesori khusus
Barang dagangan
Drosselkatup & Pembatas Putaran
Literatur
Pembawa bagasi
Pemegang Ponsel & Aksesoris
Peralatan bengkel
Perisai angin
Perlindungan dari pencurian
Sturzbügel
Tas
TopCase
Helm & Pakaian
Mulai dari Helm & Pakaian
Aksesori
Helm
Jaket & Celana
Kacamata & Visor
Kaos & Kemeja
Sarung Tangan
Tips hari ini
Malossi
Steker pengisi oli dengan stik celup -MALOSSI- Oli mesin- Piaggio Leader/Quasar - Vespa ET4, LX, LXV, S, GT, GTS, GTV, GTL 125-300, Royal Alloy GP, TG - hitam
46,90 €*
Vespa GTL/GTS/GTV 125/150/200
Vespa GTS 125 (2006, ZAPM31300)
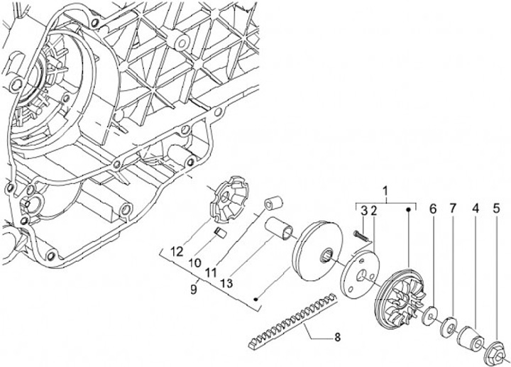
treibende Riemenscheibe
Mesin
Sistem kelistrikan
Bingkai & bagian tambahan
Setang & alat kelengkapan
Kabel bowden
Roda
Layanan
Minyak & Kimia
Aksesori
Helm & Pakaian
Vespa GTS 125 (2006, ZAPM31300)
Tampilan yang meledak
Air Pump
Air Pump - Oil Filter
Bagasi
Bagasi Belakang
Bahan Bakar
Bahan Bakar
Belakang
Bremskaliper - Bremsgaris
Chassis
Dekorasi
Dinamo
Gepenggerak Roda Gigi Sabuk
Helmkompartemen
Instrumentasi
Jok
Kabelbundel
Kaki Penutup
Kaki Tengah - Kaki Samping
Karburator - Saluran Hisap
Karburator Komponen
Kasing Kurbel
Kaskade
Knalpot
Kunci Kontak
Kurbelas
Lampu Belakang - Sein Kepala
Lampu Depan - Sein
Lenkerpenutup
Motor - Kalimat Motor
Oli Pompa - Rantai Penggerak
Pengatur Jarak Jauh - Baterai - Klakson
Plat Nomor
Radiator - Kipas
Regulator - Kontrol Unit - Koil Penyalaan
Roda Depan
Saklar - Saklar Penyalaan
Setang - Set Bearing Setang
Setang - Silinder Rem Utama
Silinder - Piston
Silinder Kepala - Katup
Silinderkepala
Sisi Penutup
Sistem Penggantung Belakang
Sistem Pengisian Udara Samping
Spakbor Vorder - Spakbor Belakang
Spion Belakang
Starter Motor
Swingarm
Tachometer Shaft
Transmisi
Tuas Kipp - Nok Welle
Tutup Rumah
Udara Filter
Variabel Riemenpulley
Variabel Riemenpulley
Vespa GTS 125 (2006, ZAPM31300)
Nama komponen
Abdeckkappe
(1)
Buchse
(1)
Gleitschuhe
(1)
Keilriemen
(1)
Mutter
(1)
Riemenscheibe
(1)
Schraube
(1)
Sternscheibe
(1)
Unterlegscheibe
(2)
Variatorrolle
(1)
Variomatik
(2)
Produsen
OEM-Qualität
(1)
Piaggio
(10)
Polini
(1)
Urutkan
Relevansi
Harga naik
Harga turun
Merek A-Z
Merek Z-A
Hal-hal baru
Piaggio
7671889
Variator -PIAGGIO- Vespa GT L 125 (ZAPM31100, ZAPM31101), Vespa GTS 125 (ZAPM31300), Vespa GTS Super 125 (ZAPM45300, ZAPM45301), Vespa GTS Super Sport 125 (ZAPM45300), Vespa GTV 125 (ZAPM31301), Aprilia Atlantic 125 (ZD4SPD00, ZD4SP0, ZD4SPD), Aprilia S
Piaggio
1351002
Katrol tetap -PIAGGIO- Vespa GT L 125, GTS 125, GTV 125, LX 125-150, LXV 125, S 125-150, ET4 125-150, Aprilia Atlantic 125, Mojito 125-150, Scarabeo 125, Sport City 125, Sport City Cube 125, Sport City One 125, Sport City Street 125, SR Motard 125,
Piaggio
GP832715
Piring -PIAGGIO- Vespa LX
Polini
P248120
V-belt -POLINI (809x22.1mm) - Piaggio 125-150 ccm Leader (rumah pendek)
Piaggio
GP483889
Bushing variator -PIAGGIO- Vespa GT 250 (ZAPM45102), Vespa GT L 125 (ZAPM31101), Vespa GTS 125 (ZAPM31300, ZAPMA3100, ZAPMA3200, ZAPMA3700), Vespa GTS 150 (ZAPMA3200, ZAPMA3100), Vespa GTS 250 (ZAPM45100, ZAPM45101), Vespa GTS 300 (ZAPM45200, ZAPM45202, Z
%
Piaggio
GP842204
Cakram naik Vario -PIAGGIO- Vespa GT 250 (ZAPM45102), Vespa GT L 125 (ZAPM31100, ZAPM31101), Vespa GT L 200 (ZAPM31200), Vespa GTS 125 (ZAPM31300), Vespa GTS 250 (ZAPM45100, ZAPM45101), Vespa GTS 300 (ZAPM45200, ZAPM45202, ZAPMA3300), Vespa GTS Super 125
Piaggio
GP827386
Cawan pegas bergigi -PIAGGIO- Vespa LX
Piaggio
1B015804
Mur M12 x 1,25 dengan kerah putar dan kunci sekrup -PIAGGIO- Piaggio 125-180 ccm 2-tak - Gilera Runner FX/FXR 125-180, Italjet Dragster 125-180, Piaggio SKR125, SKR150, TPH125, Skipper125, Skipper150, Hexagon LX/LXT 125-180 Maxi, Piaggio
Piaggio
1433391
Mesin cuci Star washer 17x35x0.5mm -PIAGGIO- Piaggio 125-180 2-tak, Piaggio 125-200 ccm Leader
Piaggio
7670209
Washer / mesin cuci dorong -17x32x1.3mm- (digunakan untuk katrol tetap LEM/IGET dan unit dekompresi berat Piaggio Leader AC/LC, Quasar)
Piaggio
C10443
Sepatu luncur Vario -PIAGGIO- Piaggio 125-200 ccm Leader
OEM-Qualität
7675328
Sekrup -DIN 7985- M4 x 12mm (digunakan untuk memasang pelat penjepit elektroda, indikator dan lensa indikator Vespa PK XL2)
×
×