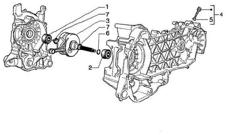
Albero motore
Piaggio Beverly 125 RST (2004, ZAPM28400)
Ordinamento