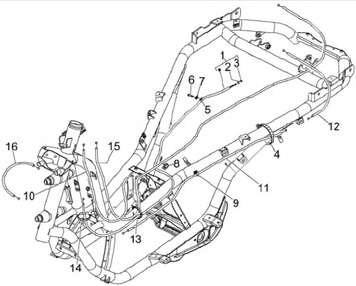
Cavi trasmissione
Piaggio MP3 300 LT (2009, ZAPM64102)
Ordinamento