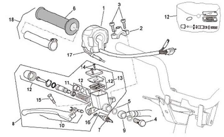
Commutatori dx (Grimeca)
Aprilia SR 50 R (2010, ZD4VFD00)
Ordinamento