molto buono
4.7 / 5
Spedizione oggi con ordine in 9 h 56 min
Spedizione gratuita a partire da 99€ (DE)
Alta soddisfazione del cliente
Contatto
|
Privacy
|
AGB & Info clienti
|
Impronta
Spedizione oggi con ordine in 9 h 56 min
Blog
DE | €
Il mio garage
Dimenticato la password?
accesso
Creare un nuovo account cliente
0
Tutti
Motore
Tutti fuori Motore
Accensione
Albero a gomiti
Avviamento
Cambio
Carburatore
Cilindro
Collettore di aspirazione e diaframma
Filtro dell'aria
Frizione
Guarnizioni
Guida
Motore Carter
Motori
Raffreddamento
Revisionsset
Scarico
Sistema di iniezione
Viti e minuteria
Sistema elettrico
Tutti fuori Sistema elettrico
Accensione e alternatore
Batterie
Candele di accensione
Cavi
Illuminazione
Interruttori
Motore di avviamento
Regolatore, raddrizzatore
Sorgente luminosa
Spina
Strumenti
Viti e minuteria
Telaio e parti aggiuntive
Tutti fuori Telaio e parti aggiuntive
Ammortizzatore
Cavalletto principale e laterale
Cuscinetto della testa dello sterzo
Forchette
Lettering
Parti di rivestimento
Selle
Sistema di alimentazione
Viti e minuteria
Manubri e accessori
Tutti fuori Manubri e accessori
Freno e frizione
Interruttori
Maniglie
Maniglie del cambio a gas
Manubri e parti di carenatura
Specchio
Strumenti
Viti e minuteria
Cavi bowden
Tutti fuori Cavi bowden
Cavi del tachimetro
Elementi di controllo
Nippli di serraggio e viti di regolazione
Tachimetro
Trazioni e set di cavi
Tubi dei freni
Ruote
Tutti fuori Ruote
Cerchi
Freni
Pneumatici
Ruote
Tubi flessibili
Valvole e minuteria
Servizio
Tutti fuori Servizio
Cinghia trapezoidale
Filtri
Oli
Set
Strumento
Olio e chimica
Tutti fuori Olio e chimica
Adesivi
Forniture per il laboratorio
Grassi e lubrificanti
Lacche e colori
Materiali operativi
Oli
Prodotti per la cura e la pulizia
Sigillante
Accessori
Tutti fuori Accessori
Acceleratori e limitatori di giri
Accessori speciali
Attrezzatura per officina
Bauletti
Borse
Manuali & co
Merceologia
Parabrezza
Perimetrali
Portapacchi
Protezione contro i furti
Supporti e accessori per telefoni cellulari
Caschi e abbigliamento
Tutti fuori Caschi e abbigliamento
Accessori
Caschi
Giacche e pantaloni
Guanti
Magliette e camicie
Occhiali e visiere
Buoni
Suggerimento del giorno
%
BGM PRO
Attrezzo rimozione albero ruota anteriore -BGM PRO- Vespa 125 V1-V15, V30-33, VM1-2, VN1, VN2, VNA, VNB , 150 VL, VB, VBA, VBB, VLA1, VGL1, VGLA1, VGLB1, Super, GL, T4, Sprint, GT, GTR, Rally, TS, Motovespa (1959-1964) 125N, 125S, 150S
21,91 €*
24,90 €*
Vespa classica
Motore
Tutti fuori Motore
Accensione
Albero a gomiti
Avviamento
Cambio
Carburatore
Cilindro
Collettore di aspirazione e diaframma
Filtro dell'aria
Frizione
Guarnizioni
Guida
Motore e alloggiamento
Motori
Raffreddamento
Scarico
Set di revisione
Viti e minuteria
Sistema elettrico
Tutti fuori Sistema elettrico
Accensione e alternatore
Batterie
Candele di accensione
Cavi
Illuminazione
Interruttori
Motore di avviamento
Regolatore, raddrizzatore
Sorgente luminosa
Spina
Strumenti
Viti e minuteria
Telaio
Tutti fuori Telaio
Ammortizzatore
Cavalletto principale e laterale
Cuscinetto della testa dello sterzo
Forchette
Lettering
Panchine
Parti di rivestimento
Sistema di alimentazione
Viti e minuteria
Manubrio
Tutti fuori Manubrio
Freno e frizione
Interruttori
Maniglie
Maniglie del cambio a gas
Manubri e parti di carenatura
Specchio
Strumenti
Viti e minuteria
Cavi bowden
Tutti fuori Cavi bowden
Cavi del tachimetro
Elementi di controllo
Nippli di serraggio e viti di regolazione
Tachimetro
Trazioni e set di cavi
Tubi dei freni
Ruote
Tutti fuori Ruote
Cerchi
Freni
Pneumatici
Ruote
Tubi flessibili
Valvole e minuteria
Servizio
Tutti fuori Servizio
Filtri
Oli
Set
Strumento
Olio e chimica
Tutti fuori Olio e chimica
Adesivi
Forniture per il laboratorio
Grassi e lubrificanti
Lacche e colori
Materiali operativi
Oli
Prodotti per la cura e la pulizia
Sigillante
Accessori
Tutti fuori Accessori
Accessori speciali
Attrezzatura da officina
Barra d'urto
Borse
Letteratura
Merce
Portabagagli
Portacellulari e accessori
Schermi antivento
TopCase
Caschi e abbigliamento
Tutti fuori Caschi e abbigliamento
Accessori
Caschi
Giacche e pantaloni
Guanti
Occhiali e visiere
T-shirt e camicie
Suggerimento del giorno
DEXTER RACING
Set freno a disco anteriore -DEXTER RACING Classic- Vespa V50 N-L-R cerchio a quattro fori - alluminio
0,00 €*
Vespa moderna
Motore
Tutti fuori Motore
Accensione
Albero a gomiti
Avviamento
Cambio
Carburatore
Cilindro
Collettore di aspirazione e diaframma
Filtro dell'aria
Frizione
Guarnizioni
Guida
Motore e alloggiamento
Motori
Raffreddamento
Scarico
Set di revisione
Sistema di iniezione
Viti e minuteria
Sistema elettrico
Tutti fuori Sistema elettrico
Accensione e alternatore
Batterie
Candele di accensione
Cavi
Illuminazione
Interruttori
Motore di avviamento
Regolatore, raddrizzatore
Sorgente luminosa
Spina
Strumenti
Viti e minuteria
Telaio e parti aggiuntive
Tutti fuori Telaio e parti aggiuntive
Ammortizzatore
Cavalletto principale e laterale
Cuscinetto della testa dello sterzo
Forchette
Lettering
Panchine
Parti di rivestimento
Sistema di alimentazione
Viti e minuteria
Manubri e accessori
Tutti fuori Manubri e accessori
Freno e frizione
Interruttori
Maniglie
Maniglie del cambio a gas
Manubri e parti di carenatura
Specchio
Strumenti
Viti e minuteria
Cavi bowden
Tutti fuori Cavi bowden
Cavi del tachimetro
Elementi di controllo
Nippli di serraggio e viti di regolazione
Tachimetro
Trazioni e set di cavi
Tubi dei freni
Ruote
Tutti fuori Ruote
Cerchi
Freni
Pneumatici
Ruote
Tubi flessibili
Valvole e minuteria
Servizio
Tutti fuori Servizio
Attrezzi
Cinghia trapezoidale
Filtri
Oli
Pulitore
Set
Olio e chimica
Tutti fuori Olio e chimica
Adesivi
Fluidi operativi
Forniture per il laboratorio
Grassi e lubrificanti
Lacche e colori
Oli
Prodotti per la cura e la pulizia
Sigillante
Accessori
Tutti fuori Accessori
Accessori speciali
Attrezzatura da officina
Barra d'urto
Borse
Letteratura
Merce
Portabagagli
Portacellulari e accessori
Protezione contro i furti
Schermi antivento
TopCase
Caschi e abbigliamento
Tutti fuori Caschi e abbigliamento
Accessori
Caschi
Giacche e pantaloni
Guanti
Occhiali e visiere
T-shirt e camicie
Suggerimento del giorno
Arrow
Scarico ARROW- Urban - Alluminio scuro con terminale in acciaio inox - Vespa GTS 310
925,00 €*
Ciclomotore classico
Motori
Tutti fuori Motori
Accensione
Albero a gomiti
Avviamento
Cambio
Carburatore
Collettore di aspirazione e diaframma
Filtro dell'aria
Frizione
Gruppi termici
Guarnizioni
Guida
Motore e alloggiamento
Raffreddamento
Scarico
Set di revisione
Viti e minuteria
Sistema elettrico
Tutti fuori Sistema elettrico
Accensione e alternatore
Batterie
Candele di accensione
Cavi
illuminazione
Interruttori
Regolatore, raddrizzatore
Sorgente luminosa
Spina
Strumenti
Viti e minuteria
Telaio e parti aggiuntive
Tutti fuori Telaio e parti aggiuntive
Ammortizzatore
Cavalletto principale e laterale
Cuscinetto della testa dello sterzo
Forchette
Lettering
Panchine
Parti di rivestimento
Sistema di alimentazione
Viti e minuteria
Manubri e accessori
Tutti fuori Manubri e accessori
Freno e frizione
Interruttori
Maniglie
Maniglie del cambio a gas
Manubri e parti di carenatura
Specchio
Strumenti
Viti e minuteria
Cavi bowden
Tutti fuori Cavi bowden
Cavi del tachimetro
Elementi di controllo
Nippli di serraggio e viti di regolazione
Tachimetro
Trazioni e set di cavi
Ruote
Tutti fuori Ruote
Cerchi
Freni
Pneumatici
Ruote
Tubi flessibili
Valvole e minuteria
Servizio
Tutti fuori Servizio
Filtri
Oli
Strumento
Olio e chimica
Tutti fuori Olio e chimica
Adesivi
Forniture per il laboratorio
Grassi e lubrificanti
Lacche e colori
Materiali operativi
Oli
Prodotti per la cura e la pulizia
Sigillante
Accessori
Tutti fuori Accessori
Accessori speciali
Attrezzatura da officina
Borse
Letteratura
Merceologia
Portabagagli
Protezione contro i furti
Caschi e abbigliamento
Tutti fuori Caschi e abbigliamento
Accessori
Caschi
Guanti
T-shirt e camicie
Suggerimento del giorno
MC Proparts
Set di boccole -MC Fork Bushing- Bracci oscillanti della forcella del Ciao, per la revisione e la stabilizzazione della ruota anteriore
17,90 €*
Lambretta
Motori
Tutti fuori Motori
Accensione
Albero a gomiti
Cambio
Carburatore
Cilindro
Collettore di aspirazione e diaframma
Filtro dell'aria
Frizione
Guarnizioni
Guida
Kickstarter
Motore e alloggiamento
Raffreddamento
Scarico
Set di revisione
Viti e minuteria
Sistema elettrico
Tutti fuori Sistema elettrico
Accensione e alternatore
Batterie
Cablaggi
Candele di accensione
Illuminazione
Interruttori
Regolatore e raddrizzatore
Sorgente luminosa
Spina
Strumenti
Viti e minuteria
Telaio e parti aggiuntive
Tutti fuori Telaio e parti aggiuntive
Ammortizzatore
Cavalletto principale
Cuscinetto della testa dello sterzo
Forchette
Lettering
Panchine
Parti di rivestimento
Sistema di alimentazione
Viti e minuteria
Manubri e accessori
Tutti fuori Manubri e accessori
Freno e frizione
Interruttori
Maniglie
Maniglie del cambio a gas
Manubri e parti di carenatura
Specchio
Strumenti
Viti e minuteria
Cavi bowden
Tutti fuori Cavi bowden
Cavi del tachimetro
Elementi di controllo
Nippli di serraggio e viti di regolazione
Tachimetro
Trazioni e set di cavi
Tubi dei freni
Ruote
Tutti fuori Ruote
Cerchi
Freni
Pneumatici
Ruote
Tubi flessibili
Valvole e minuteria
Servizio
Tutti fuori Servizio
Oli
Pulitore
Set
Strumento
Olio e chimica
Tutti fuori Olio e chimica
Adesivi
Forniture per il laboratorio
Grassi e lubrificanti
Lacche e colori
Materiali operativi
Oli
Prodotti per la cura e la pulizia
Sigillante
Accessori
Tutti fuori Accessori
Accessori speciali
Attrezzatura da officina
Barra d'urto
Borse
Letteratura
Merce
Portabagagli
Portacellulari e accessori
Protezione contro i furti
Schermi antivento
Caschi e abbigliamento
Tutti fuori Caschi e abbigliamento
Accessori
Caschi
Giacche e pantaloni
Guanti
T-shirt e camicie
Suggerimento del giorno
BGM PRO
Cilindro -BGM PRO MRB-Racetour 225 ccm- Lambretta TV 200, SX 200, DL 200, GP 200
525,00 €*
Scooter 50-850cc
Motore
Tutti fuori Motore
Accensione
Albero motore
Avviamento
Carburatori
Carter motore
Collettore d'aspirazione e valvola lamellare
Filtro aria
Frizione
Gruppi termici
Guarnizioni
Ingranaggi
Marmitta
Motori
Raffreddamento
Revisionsset
Sistema di iniezione
Trasmissione
Viti e piccole parti
Sistema elettrico
Tutti fuori Sistema elettrico
Accensione e alternatore
avviamento
Batterie
Candele accensione
Cavi elettrici
illuminazione
Interruttori
Lampadine
prese e spine
Regolatore, raddrizzatore
Strumenti di visualizzazione
Viti e piccole parti
Telaio e parti aggiuntive
Tutti fuori Telaio e parti aggiuntive
Ammortizzatore
Cavalletto principale e laterale
Cuscinetto della testa dello sterzo
Forchette
Lettering
Panchine
Parti di rivestimento
Sistema di alimentazione
Viti e minuteria
Manubri e accessori
Tutti fuori Manubri e accessori
Freno e frizione
Interruttori
Maniglie
Maniglie del cambio a gas
Manubri e parti di carenatura
Specchio
Strumenti
Viti e minuteria
Cavi bowden
Tutti fuori Cavi bowden
Cavi del tachimetro
Elementi di controllo
Nippli di serraggio e viti di regolazione
Tachimetro
Trazioni e set di cavi
Tubi dei freni
Ruote
Tutti fuori Ruote
Cerchi
Freni
Pneumatici
Ruote
Tubi flessibili
Valvole e minuteria
Servizio
Tutti fuori Servizio
Cinghie trasmissione
Filtri
Oli
Pulitore
Set
Strumento
Olio e chimica
Tutti fuori Olio e chimica
Adesivi
Fluidi operativi
Forniture per il laboratorio
Grassi e lubrificanti
Lacche e colori
Oli
Prodotti per la cura e la pulizia
Sigillante
Accessori
Tutti fuori Accessori
Acceleratori e limitatori di giri
Accessori speciali
Attrezzatura da officina
Borse
Letteratura
Merce
Perimetrali
Portabagagli
Protezione contro i furti
Schermi antivento
Supporti e accessori per telefoni cellulari
TopCase
Caschi e abbigliamento
Tutti fuori Caschi e abbigliamento
Accessori
Caschi
Giacche e pantaloni
Guanti
Occhiali e visiere
T-shirt e camicie
Suggerimento del giorno
Malossi
Coperchio Vario -MALOSSI-, alluminio, anodizzato duro- motore Piaggio Leader/Quasar - ET4, LX/LXV125-150, S125-150, GT/GTS/GTV/GTL 125-300, Royal Alloy GP, TG - nero
86,90 €*
Lambretta Serie 1 / 2
LI 150 (Serie 1)
Bremsen (07.1959-)
Motori
Sistema elettrico
Telaio e parti aggiuntive
Manubri e accessori
Cavi bowden
Ruote
Servizio
Olio e chimica
Accessori
Caschi e abbigliamento
LI 150 S 1
Viste esplose
accessori
accessori LI 150 (07.1959-)
albero motore, pistone
apparecchiature elettriche fanaleria
batteria
cambio
cambio (07.1959-)
carburatore
carrozzeria
carrozzeria (07.1959-)
carter motore
comandi
comandi (07.1959-)
filtro aria (07.1959-, -150LI739489)
forcella
forcella (07.1959-)
freni
freni (07.1959-)
frizione
guidacatena (07.1959-)
marmitta di scario
marmitta di scario (150LI739571-)
maubrio
maubrio (07.1959-)
reffreddamento
serbatoio
serbatoio, filtro aria (07.1959-, 150LI739490-)
tachimetro
tachimetro (07.1959-)
telaio (150LI739490-)
telaio, sospensione
volano magnete Ducati
volano magnete Filso e Marelli
freni (07.1959-)
LI 150 S 1
Nome del componente
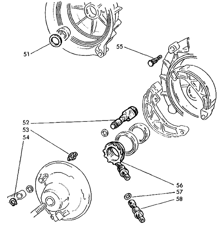
Camma del freno
(1)
Presa di corrente
(1)
Nipplo di grasso
(1)
Anello di sicurezza
(1)
Bullone
(1)
Azionamento del tachimetro
(1)
Rondella piana
(1)
Produttore
Casa Lambretta
(3)
Fa Italia
(1)
MB-Developments
(2)
OEM-Qualität
(1)
Ordinamento
Rilevanza
Prezzi in salita
Prezzi in discesa
Marchio A-Z
Marchio Z-A
Novità
%
Casa Lambretta
8010231
Camma del freno a tamburo anteriore -CASA LAMBRETTA- LI, LIS, SX 150, TV (Serie 2)
Casa Lambretta
8010290
Presa per vite senza fine del tachimetro -LAMBRETTA- LI, LIS, SX, TV, DL, GP, J
Casa Lambretta
8010420
Azionamento del tachimetro -CASA LAMBRETTA- LI, LIS, SX, TV (serie 2-3), DL, GP
MB-Developments
9902009VA
Ingrassatore -DIN 71412- M6 x 1,0 - chiave 11mm - acciaio inox
MB-Developments
MRB0053
Spessori del cono del tamburo del freno -MB-DEVELOPMENTS- Lambretta LI, LIS, SX, TV (Serie 2-3), DL, GP - 2,0mm
Fa Italia
8010360
Bulloni del tamburo del freno -LAMBRETTA- LI, LIS, SX, TV (serie 2-3), DL, GP, J
OEM-Qualität
8014480
Anello Seeger -WELLE DIN471 -QUALITÀ OEM- Ø=12mm
×
×