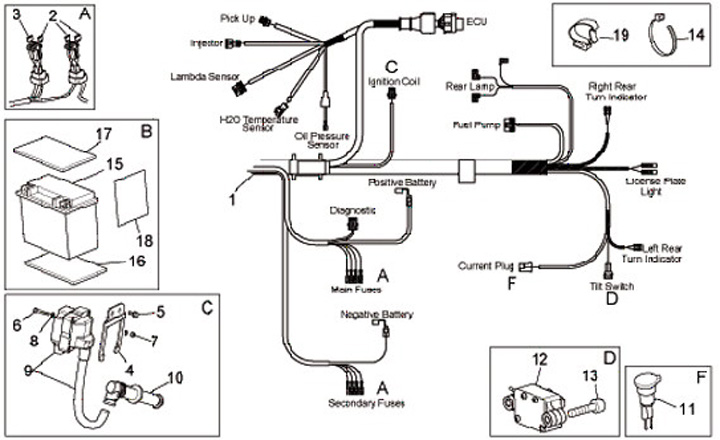
Impianto elettrico II
Aprilia Scarabeo Light 200 (2009-2010, ZD4RBH00)
Ordinamento