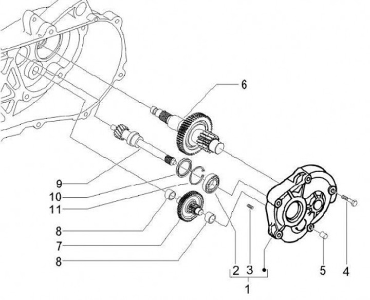
Ingranaggi
Piaggio Zip 50 II (2-tempi, 2009, LBMC25E)
Ordinamento