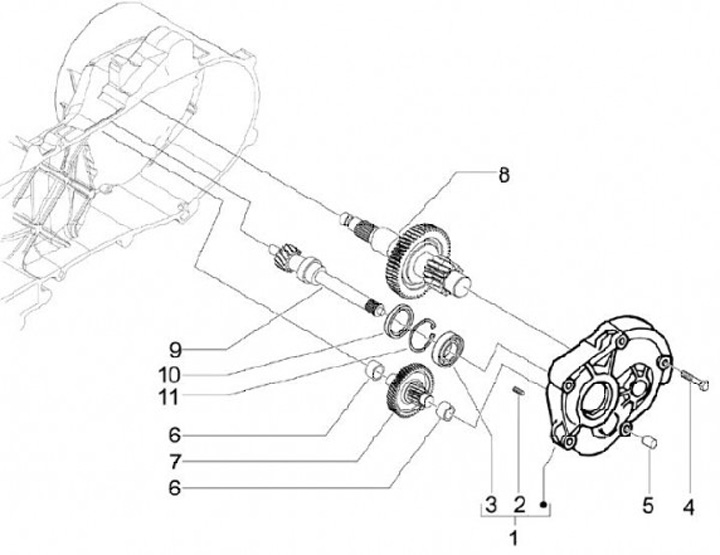
Ingranaggi
Vespa S 50 (4-tempi, 2008, ZAPC38600)
Ordinamento