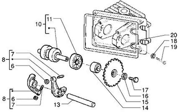
Leva bilanciere - albero a camme
Vespa ET4 50 (1998, ZAPC26000)
Ordinamento