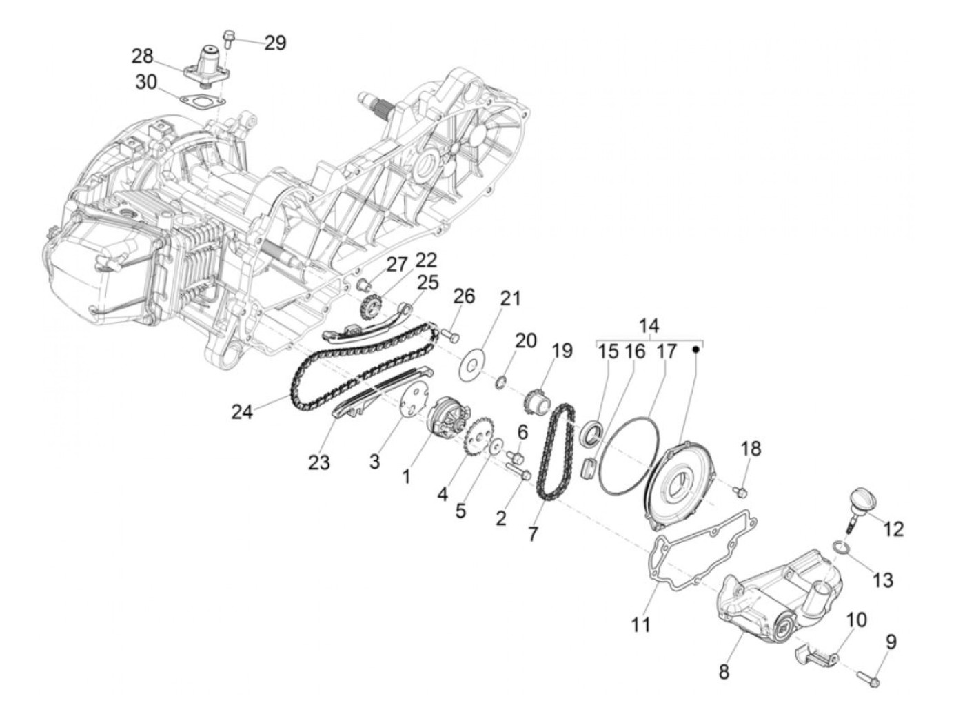
Pompa olio
Vespa Primavera 50 Sport IGET (4-tempi, 2018, ZAPCA0100) 12 Zoll
Ordinamento