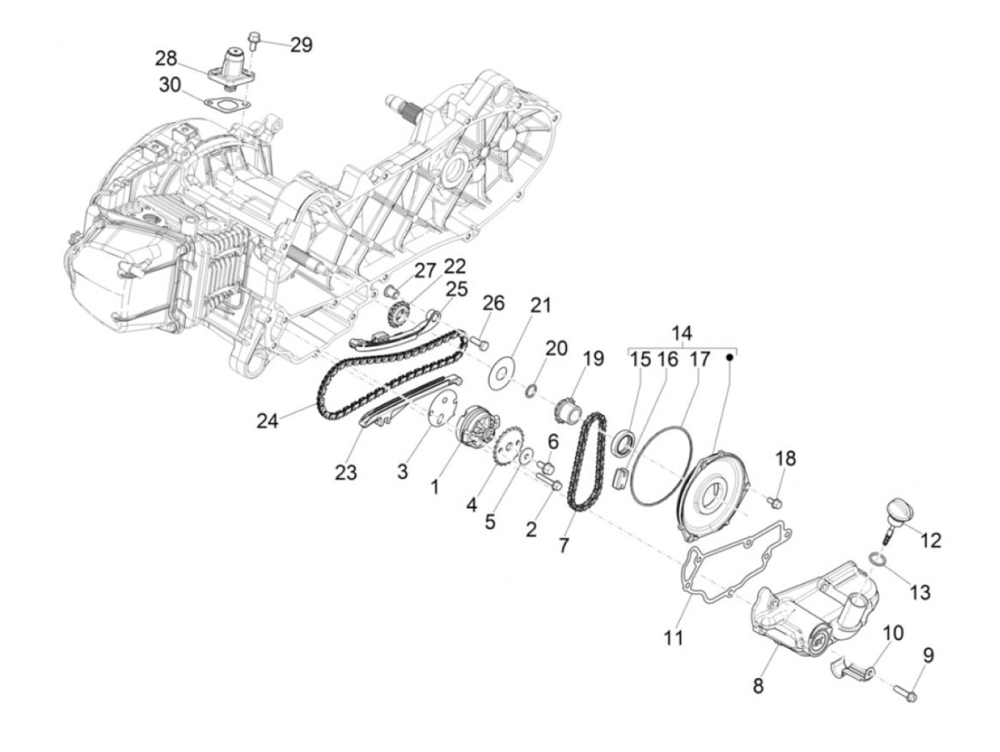
Pompa olio
Vespa Primavera 50 Basic IGET (4-tempi, 2018, ZAPCA0200) 25km/h,
Ordinamento