molto buono
4.7 / 5
Spedizione gratuita a partire da 99€ (DE) Alta soddisfazione del cliente
Contatto |Privacy |AGB & Info clienti |Impronta
Vespa Primavera 50 Basic IGET (4-tempi, 2018, ZAPCA0200) 25km/h, | Viste esplose Vespa Primavera 50 Basic IGET (4-tempi, 2018, ZAPCA0200) 25km/h, | Viste esplose
Blog DE  |  €
Il mio garage
Dimenticato la password?
Creare un nuovo account cliente
0
  • Tutti
    • Motore
      Tutti fuori Motore
      • Accensione
      • Albero a gomiti
      • Avviamento
      • Cambio
      • Carburatore
      • Cilindro
      • Collettore di aspirazione e diaframma
      • Filtro dell'aria
      • Frizione
      • Guarnizioni
      • Guida
      • Motore Carter
      • Motori
      • Raffreddamento
      • Revisionsset
      • Scarico
      • Sistema di iniezione
      • Viti e minuteria
    • Sistema elettrico
      Tutti fuori Sistema elettrico
      • Accensione e alternatore
      • Batterie
      • Candele di accensione
      • Cavi
      • Illuminazione
      • Interruttori
      • Motore di avviamento
      • Regolatore, raddrizzatore
      • Sorgente luminosa
      • Spina
      • Strumenti
      • Viti e minuteria
    • Telaio e parti aggiuntive
      Tutti fuori Telaio e parti aggiuntive
      • Ammortizzatore
      • Cavalletto principale e laterale
      • Cuscinetto della testa dello sterzo
      • Forchette
      • Lettering
      • Parti di rivestimento
      • Selle
      • Sistema di alimentazione
      • Viti e minuteria
    • Manubri e accessori
      Tutti fuori Manubri e accessori
      • Freno e frizione
      • Interruttori
      • Maniglie
      • Maniglie del cambio a gas
      • Manubri e parti di carenatura
      • Specchio
      • Strumenti
      • Viti e minuteria
    • Cavi bowden
      Tutti fuori Cavi bowden
      • Cavi del tachimetro
      • Elementi di controllo
      • Nippli di serraggio e viti di regolazione
      • Tachimetro
      • Trazioni e set di cavi
      • Tubi dei freni
    • Ruote
      Tutti fuori Ruote
      • Cerchi
      • Freni
      • Pneumatici
      • Ruote
      • Tubi flessibili
      • Valvole e minuteria
    • Servizio
      Tutti fuori Servizio
      • Cinghia trapezoidale
      • Filtri
      • Oli
      • Set
      • Strumento
    • Olio e chimica
      Tutti fuori Olio e chimica
      • Adesivi
      • Forniture per il laboratorio
      • Grassi e lubrificanti
      • Lacche e colori
      • Materiali operativi
      • Oli
      • Prodotti per la cura e la pulizia
      • Sigillante
    • Accessori
      Tutti fuori Accessori
      • Acceleratori e limitatori di giri
      • Accessori speciali
      • Attrezzatura per officina
      • Bauletti
      • Borse
      • Manuali & co
      • Merceologia
      • Parabrezza
      • Perimetrali
      • Portapacchi
      • Protezione contro i furti
      • Supporti e accessori per telefoni cellulari
    • Caschi e abbigliamento
      Tutti fuori Caschi e abbigliamento
      • Accessori
      • Caschi
      • Giacche e pantaloni
      • Guanti
      • Magliette e camicie
      • Occhiali e visiere
    • Buoni
    Suggerimento del giorno
    Pinza per crimpare con funzione di cricchetto -BGM PRO- per terminali guaina esterna cavo Ø=4mm, Ø=5mm, Ø=6mm
    BGM PRO
    Pinza per crimpare con funzione di cricchetto -BGM PRO- per terminali guaina esterna cavo Ø=4mm, Ø=5mm, Ø=6mm
    54,00 €*
  • Vespa classica
    • Motore
      Tutti fuori Motore
      • Accensione
      • Albero a gomiti
      • Avviamento
      • Cambio
      • Carburatore
      • Cilindro
      • Collettore di aspirazione e diaframma
      • Filtro dell'aria
      • Frizione
      • Guarnizioni
      • Guida
      • Motore e alloggiamento
      • Motori
      • Raffreddamento
      • Scarico
      • Set di revisione
      • Viti e minuteria
    • Sistema elettrico
      Tutti fuori Sistema elettrico
      • Accensione e alternatore
      • Batterie
      • Candele di accensione
      • Cavi
      • Illuminazione
      • Interruttori
      • Motore di avviamento
      • Regolatore, raddrizzatore
      • Sorgente luminosa
      • Spina
      • Strumenti
      • Viti e minuteria
    • Telaio
      Tutti fuori Telaio
      • Ammortizzatore
      • Cavalletto principale e laterale
      • Cuscinetto della testa dello sterzo
      • Forchette
      • Lettering
      • Panchine
      • Parti di rivestimento
      • Sistema di alimentazione
      • Viti e minuteria
    • Manubrio
      Tutti fuori Manubrio
      • Freno e frizione
      • Interruttori
      • Maniglie
      • Maniglie del cambio a gas
      • Manubri e parti di carenatura
      • Specchio
      • Strumenti
      • Viti e minuteria
    • Cavi bowden
      Tutti fuori Cavi bowden
      • Cavi del tachimetro
      • Elementi di controllo
      • Nippli di serraggio e viti di regolazione
      • Tachimetro
      • Trazioni e set di cavi
      • Tubi dei freni
    • Ruote
      Tutti fuori Ruote
      • Cerchi
      • Freni
      • Pneumatici
      • Ruote
      • Tubi flessibili
      • Valvole e minuteria
    • Servizio
      Tutti fuori Servizio
      • Filtri
      • Oli
      • Set
      • Strumento
    • Olio e chimica
      Tutti fuori Olio e chimica
      • Adesivi
      • Forniture per il laboratorio
      • Grassi e lubrificanti
      • Lacche e colori
      • Materiali operativi
      • Oli
      • Prodotti per la cura e la pulizia
      • Sigillante
    • Accessori
      Tutti fuori Accessori
      • Accessori speciali
      • Attrezzatura da officina
      • Barra d'urto
      • Borse
      • Letteratura
      • Merce
      • Portabagagli
      • Portacellulari e accessori
      • Schermi antivento
      • TopCase
    • Caschi e abbigliamento
      Tutti fuori Caschi e abbigliamento
      • Accessori
      • Caschi
      • Giacche e pantaloni
      • Guanti
      • Occhiali e visiere
      • T-shirt e camicie
    Suggerimento del giorno
    Scarico -RS Serie 1.0 'JL Style'- sinistra- Vespa PX200, Rally200, Motovespa DN200, DS200 - acciaio inox
    Top
    Premium Spares
    Scarico -RS Serie 1.0 'JL Style'- sinistra- Vespa PX200, Rally200, Motovespa DN200, DS200 - acciaio inox
    349,00 €*
  • Vespa moderna
    • Motore
      Tutti fuori Motore
      • Accensione
      • Albero a gomiti
      • Avviamento
      • Cambio
      • Carburatore
      • Cilindro
      • Collettore di aspirazione e diaframma
      • Filtro dell'aria
      • Frizione
      • Guarnizioni
      • Guida
      • Motore e alloggiamento
      • Motori
      • Raffreddamento
      • Scarico
      • Set di revisione
      • Sistema di iniezione
      • Viti e minuteria
    • Sistema elettrico
      Tutti fuori Sistema elettrico
      • Accensione e alternatore
      • Batterie
      • Candele di accensione
      • Cavi
      • Illuminazione
      • Interruttori
      • Motore di avviamento
      • Regolatore, raddrizzatore
      • Sorgente luminosa
      • Spina
      • Strumenti
      • Viti e minuteria
    • Telaio e parti aggiuntive
      Tutti fuori Telaio e parti aggiuntive
      • Ammortizzatore
      • Cavalletto principale e laterale
      • Cuscinetto della testa dello sterzo
      • Forchette
      • Lettering
      • Panchine
      • Parti di rivestimento
      • Sistema di alimentazione
      • Viti e minuteria
    • Manubri e accessori
      Tutti fuori Manubri e accessori
      • Freno e frizione
      • Interruttori
      • Maniglie
      • Maniglie del cambio a gas
      • Manubri e parti di carenatura
      • Specchio
      • Strumenti
      • Viti e minuteria
    • Cavi bowden
      Tutti fuori Cavi bowden
      • Cavi del tachimetro
      • Elementi di controllo
      • Nippli di serraggio e viti di regolazione
      • Tachimetro
      • Trazioni e set di cavi
      • Tubi dei freni
    • Ruote
      Tutti fuori Ruote
      • Cerchi
      • Freni
      • Pneumatici
      • Ruote
      • Tubi flessibili
      • Valvole e minuteria
    • Servizio
      Tutti fuori Servizio
      • Attrezzi
      • Cinghia trapezoidale
      • Filtri
      • Oli
      • Pulitore
      • Set
    • Olio e chimica
      Tutti fuori Olio e chimica
      • Adesivi
      • Fluidi operativi
      • Forniture per il laboratorio
      • Grassi e lubrificanti
      • Lacche e colori
      • Oli
      • Prodotti per la cura e la pulizia
      • Sigillante
    • Accessori
      Tutti fuori Accessori
      • Accessori speciali
      • Attrezzatura da officina
      • Barra d'urto
      • Borse
      • Letteratura
      • Merce
      • Portabagagli
      • Portacellulari e accessori
      • Protezione contro i furti
      • Schermi antivento
      • TopCase
    • Caschi e abbigliamento
      Tutti fuori Caschi e abbigliamento
      • Accessori
      • Caschi
      • Giacche e pantaloni
      • Guanti
      • Occhiali e visiere
      • T-shirt e camicie
    Suggerimento del giorno
    Collettore di aspirazione -POLINI- 125-150cc 4T 2V AC Leader- Piaggio Liberty (ZAPM22), Skipper (ZAPM21), Zip II (ZAPM25), Vespa ET4 (ZAPM19) - 1 raccordo a vuoto
    Polini
    Collettore di aspirazione -POLINI- 125-150cc 4T 2V AC Leader- Piaggio Liberty (ZAPM22), Skipper (ZAPM21), Zip II (ZAPM25), Vespa ET4 (ZAPM19) - 1 raccordo a vuoto
    17,90 €*
  • Ciclomotore classico
    • Motori
      Tutti fuori Motori
      • Accensione
      • Albero a gomiti
      • Avviamento
      • Cambio
      • Carburatore
      • Collettore di aspirazione e diaframma
      • Filtro dell'aria
      • Frizione
      • Gruppi termici
      • Guarnizioni
      • Guida
      • Motore e alloggiamento
      • Raffreddamento
      • Scarico
      • Set di revisione
      • Viti e minuteria
    • Sistema elettrico
      Tutti fuori Sistema elettrico
      • Accensione e alternatore
      • Batterie
      • Candele di accensione
      • Cavi
      • illuminazione
      • Interruttori
      • Regolatore, raddrizzatore
      • Sorgente luminosa
      • Spina
      • Strumenti
      • Viti e minuteria
    • Telaio e parti aggiuntive
      Tutti fuori Telaio e parti aggiuntive
      • Ammortizzatore
      • Cavalletto principale e laterale
      • Cuscinetto della testa dello sterzo
      • Forchette
      • Lettering
      • Panchine
      • Parti di rivestimento
      • Sistema di alimentazione
      • Viti e minuteria
    • Manubri e accessori
      Tutti fuori Manubri e accessori
      • Freno e frizione
      • Interruttori
      • Maniglie
      • Maniglie del cambio a gas
      • Manubri e parti di carenatura
      • Specchio
      • Strumenti
      • Viti e minuteria
    • Cavi bowden
      Tutti fuori Cavi bowden
      • Cavi del tachimetro
      • Elementi di controllo
      • Nippli di serraggio e viti di regolazione
      • Tachimetro
      • Trazioni e set di cavi
    • Ruote
      Tutti fuori Ruote
      • Cerchi
      • Freni
      • Pneumatici
      • Ruote
      • Tubi flessibili
      • Valvole e minuteria
    • Servizio
      Tutti fuori Servizio
      • Filtri
      • Oli
      • Strumento
    • Olio e chimica
      Tutti fuori Olio e chimica
      • Adesivi
      • Forniture per il laboratorio
      • Grassi e lubrificanti
      • Lacche e colori
      • Materiali operativi
      • Oli
      • Prodotti per la cura e la pulizia
      • Sigillante
    • Accessori
      Tutti fuori Accessori
      • Accessori speciali
      • Attrezzatura da officina
      • Borse
      • Letteratura
      • Merceologia
      • Portabagagli
      • Protezione contro i furti
    • Caschi e abbigliamento
      Tutti fuori Caschi e abbigliamento
      • Accessori
      • Caschi
      • Guanti
      • T-shirt e camicie
    Suggerimento del giorno
    Campana frizione -BGM PRO- Piaggio Ciao, Bravo, Boxer, Si - pezzo unico con alette di raffreddamento, CNC Made in Germany, modelli con variatore
    BGM PRO
    Campana frizione -BGM PRO- Piaggio Ciao, Bravo, Boxer, Si - pezzo unico con alette di raffreddamento, CNC Made in Germany, modelli con variatore
    129,00 €*
  • Lambretta
    • Motori
      Tutti fuori Motori
      • Accensione
      • Albero a gomiti
      • Cambio
      • Carburatore
      • Cilindro
      • Collettore di aspirazione e diaframma
      • Filtro dell'aria
      • Frizione
      • Guarnizioni
      • Guida
      • Kickstarter
      • Motore e alloggiamento
      • Raffreddamento
      • Scarico
      • Set di revisione
      • Viti e minuteria
    • Sistema elettrico
      Tutti fuori Sistema elettrico
      • Accensione e alternatore
      • Batterie
      • Cablaggi
      • Candele di accensione
      • Illuminazione
      • Interruttori
      • Regolatore e raddrizzatore
      • Sorgente luminosa
      • Spina
      • Strumenti
      • Viti e minuteria
    • Telaio e parti aggiuntive
      Tutti fuori Telaio e parti aggiuntive
      • Ammortizzatore
      • Cavalletto principale
      • Cuscinetto della testa dello sterzo
      • Forchette
      • Lettering
      • Panchine
      • Parti di rivestimento
      • Sistema di alimentazione
      • Viti e minuteria
    • Manubri e accessori
      Tutti fuori Manubri e accessori
      • Freno e frizione
      • Interruttori
      • Maniglie
      • Maniglie del cambio a gas
      • Manubri e parti di carenatura
      • Specchio
      • Strumenti
      • Viti e minuteria
    • Cavi bowden
      Tutti fuori Cavi bowden
      • Cavi del tachimetro
      • Elementi di controllo
      • Nippli di serraggio e viti di regolazione
      • Tachimetro
      • Trazioni e set di cavi
      • Tubi dei freni
    • Ruote
      Tutti fuori Ruote
      • Cerchi
      • Freni
      • Pneumatici
      • Ruote
      • Tubi flessibili
      • Valvole e minuteria
    • Servizio
      Tutti fuori Servizio
      • Oli
      • Pulitore
      • Set
      • Strumento
    • Olio e chimica
      Tutti fuori Olio e chimica
      • Adesivi
      • Forniture per il laboratorio
      • Grassi e lubrificanti
      • Lacche e colori
      • Materiali operativi
      • Oli
      • Prodotti per la cura e la pulizia
      • Sigillante
    • Accessori
      Tutti fuori Accessori
      • Accessori speciali
      • Attrezzatura da officina
      • Barra d'urto
      • Borse
      • Letteratura
      • Merce
      • Portabagagli
      • Portacellulari e accessori
      • Protezione contro i furti
      • Schermi antivento
    • Caschi e abbigliamento
      Tutti fuori Caschi e abbigliamento
      • Accessori
      • Caschi
      • Giacche e pantaloni
      • Guanti
      • T-shirt e camicie
    Suggerimento del giorno
    Compressore per molle a forcella -BGM PRO Made in Germany- Lambretta LI, LIS, SX, TV, DL, GP
    BGM PRO
    Compressore per molle a forcella -BGM PRO Made in Germany- Lambretta LI, LIS, SX, TV, DL, GP
    59,00 €*
  • Scooter 50-850cc
    • Motore
      Tutti fuori Motore
      • Accensione
      • Albero motore
      • Avviamento
      • Carburatori
      • Carter motore
      • Collettore d'aspirazione e valvola lamellare
      • Filtro aria
      • Frizione
      • Gruppi termici
      • Guarnizioni
      • Ingranaggi
      • Marmitta
      • Motori
      • Raffreddamento
      • Revisionsset
      • Sistema di iniezione
      • Trasmissione
      • Viti e piccole parti
    • Sistema elettrico
      Tutti fuori Sistema elettrico
      • Accensione e alternatore
      • avviamento
      • Batterie
      • Candele accensione
      • Cavi elettrici
      • illuminazione
      • Interruttori
      • Lampadine
      • prese e spine
      • Regolatore, raddrizzatore
      • Strumenti di visualizzazione
      • Viti e piccole parti
    • Telaio e parti aggiuntive
      Tutti fuori Telaio e parti aggiuntive
      • Ammortizzatore
      • Cavalletto principale e laterale
      • Cuscinetto della testa dello sterzo
      • Forchette
      • Lettering
      • Panchine
      • Parti di rivestimento
      • Sistema di alimentazione
      • Viti e minuteria
    • Manubri e accessori
      Tutti fuori Manubri e accessori
      • Freno e frizione
      • Interruttori
      • Maniglie
      • Maniglie del cambio a gas
      • Manubri e parti di carenatura
      • Specchio
      • Strumenti
      • Viti e minuteria
    • Cavi bowden
      Tutti fuori Cavi bowden
      • Cavi del tachimetro
      • Elementi di controllo
      • Nippli di serraggio e viti di regolazione
      • Tachimetro
      • Trazioni e set di cavi
      • Tubi dei freni
    • Ruote
      Tutti fuori Ruote
      • Cerchi
      • Freni
      • Pneumatici
      • Ruote
      • Tubi flessibili
      • Valvole e minuteria
    • Servizio
      Tutti fuori Servizio
      • Cinghie trasmissione
      • Filtri
      • Oli
      • Pulitore
      • Set
      • Strumento
    • Olio e chimica
      Tutti fuori Olio e chimica
      • Adesivi
      • Fluidi operativi
      • Forniture per il laboratorio
      • Grassi e lubrificanti
      • Lacche e colori
      • Oli
      • Prodotti per la cura e la pulizia
      • Sigillante
    • Accessori
      Tutti fuori Accessori
      • Acceleratori e limitatori di giri
      • Accessori speciali
      • Attrezzatura da officina
      • Borse
      • Letteratura
      • Merce
      • Perimetrali
      • Portabagagli
      • Protezione contro i furti
      • Schermi antivento
      • Supporti e accessori per telefoni cellulari
      • TopCase
    • Caschi e abbigliamento
      Tutti fuori Caschi e abbigliamento
      • Accessori
      • Caschi
      • Giacche e pantaloni
      • Guanti
      • Occhiali e visiere
      • T-shirt e camicie
    Suggerimento del giorno
    Set leva freno -PRO BRAKE- regolabile - Royal Alloy GP 125-300, TG 125-300 - nero lucido
    Pro Brake
    Set leva freno -PRO BRAKE- regolabile - Royal Alloy GP 125-300, TG 125-300 - nero lucido
    99,00 €*
  1. Viste esplose
  2. Vespa Primavera/Sprint 50
  3. Vespa Primavera 50 Basic IGET (4-Takt, 2018, ZAPCA0200) 25km/h,
Motore
Sistema elettrico
Telaio e parti aggiuntive
Manubri e accessori
Cavi bowden
Ruote
Servizio
Olio e chimica
Accessori
Caschi e abbigliamento
Vespa Primavera 50 Basic IGET (4-tempi, 2018, ZAPCA0200) 25km/h,
  • Viste esplose
    • Adesivi
    • Albero motore
    • Ammortizzatore posteriore
    • Avviamento
    • Batteria
    • Bauletto anteriore
    • Braccio oscillante
    • Cablaggio impianto elettrico completo
    • Carter motore
    • Cavalletto centrale
    • comandi
    • Coperchio accensione
    • Coperchio carter motore
    • Coperchio manubrio
    • Corpo valvola a farfalla
    • Cuffia cilindro
    • Fanale posteriore
    • Faro anteriore
    • Fianchetto
    • Filtro aria
    • Forcella ruota anteriore
    • Gruppo termico
    • Impianto elettrico
    • Impianto freno anteriore
    • Impianto freno posteriore
    • Ingranaggi
    • Interruttore
    • Kit serratura
    • Manubrio
    • Marmitta
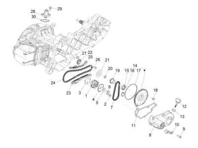
    • Motore
    • Parafango
    • Pedana
    • Pompa olio
    • Portapacchi anteriore
    • Portatarga
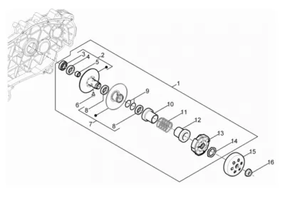
    • Puleggia motrice
    • Puleggia posteriore - frizione
    • Ruota anteriore
    • Ruota posteriore
    • Scudo
    • Sella
    • Serbatoio benzina
    • Specchietto
    • Statore
    • Strumentazioni
    • Supporto per braccio oscillante
    • Telaio
    • Testa cilindro
    • Vano portacasco
Viste esplose
Vespa Primavera 50 Basic IGET (4-tempi, 2018, ZAPCA0200) 25km/h,
Adesivi
Adesivi
Albero motore
Albero motore
Ammortizzatore posteriore
Ammortizzatore posteriore
Avviamento
Avviamento
Batteria
Batteria
Bauletto anteriore
Bauletto anteriore
Braccio oscillante
Braccio oscillante
Cablaggio impianto elettrico completo
Cablaggio impianto elettrico completo
Carter motore
Carter motore
Cavalletto centrale
Cavalletto centrale
comandi
comandi
Coperchio accensione
Coperchio accensione
Coperchio carter motore
Coperchio carter motore
Coperchio manubrio
Coperchio manubrio
Corpo  valvola a farfalla
Corpo valvola a farfalla
Cuffia cilindro
Cuffia cilindro
Fanale posteriore
Fanale posteriore
Faro anteriore
Faro anteriore
Fianchetto
Fianchetto
Filtro aria
Filtro aria
Forcella  ruota anteriore
Forcella ruota anteriore
Gruppo termico
Gruppo termico
Impianto elettrico
Impianto elettrico
Impianto freno anteriore
Impianto freno anteriore
Impianto freno posteriore
Impianto freno posteriore
Ingranaggi
Ingranaggi
Interruttore
Interruttore
Kit serratura
Kit serratura
Manubrio
Manubrio
Marmitta
Marmitta
Motore
Motore
Parafango
Parafango
Pedana
Pedana
Pompa olio
Pompa olio
Portapacchi anteriore
Portapacchi anteriore
Portatarga
Portatarga
Puleggia motrice
Puleggia motrice
Puleggia posteriore - frizione
Puleggia posteriore - frizione
Ruota anteriore
Ruota anteriore
Ruota posteriore
Ruota posteriore
Scudo
Scudo
Sella
Sella
Serbatoio benzina
Serbatoio benzina
Specchietto
Specchietto
Statore
Statore
Strumentazioni
Strumentazioni
Supporto per braccio oscillante
Supporto per braccio oscillante
Telaio
Telaio
Testa cilindro
Testa cilindro
Vano portacasco
Vano portacasco
Iscriviti alla Scooter Center Newsletter
Inserisci il tuo indirizzo e-mail.
Iscriviti subito alla nostra newsletter e ricevi uno sconto di 5 euro sul tuo prossimo ordine di 50 euro o più!
Rimani sempre aggiornato su novità, promozioni e offerte esclusive per scooter e tuning.
È possibile annullare l'iscrizione in qualsiasi momento. I vostri dati non saranno trasmessi a terzi.
Scooter Center
molto buono 4.7 / 5
Scooter Center
Chi siamo
Contatto con noi
Come contattarci
Orari di apertura
Per i rivenditori
La nostra carriera
La nostra responsabilità/ESG
 
Servizio
Costi di spedizione
Metodi di pagamento/prezzi
Resi/Restituzioni
Buono d'acquisto
Ordine diretto
Viste esplose
DOMANDE FREQUENTI
Pagamento e spedizione
Sie können im Shop mit paypal zahlen Sie können im Shop per Vorkasse zahlen Sie können im Shop mit Kreditkarte zahlen Sie können im Shop mit Google Pay zahlen Sie können im Shop mit Apple Pay zahlen Sie können im Shop per Nachnahme zahlen Sie können im Shop mit Trustly zahlen Sie können im Shop mit iDEAL zahlen Sie können im Shop mit bancontact zahlen Sie können im Shop mit Bancomat Pay zahlen Sie können im Shop mit Amex zahlen Sie können im Shop mit BLIK zahlen
Consegna gratuita a partire da un valore d'ordine di 99 euro per tutti i clienti finali in Germania.
Wir versenden mit DHL Wir versenden mit ups Wir versenden mit DPD Wir versenden mit Fedex Click & Collect
Ausgezeichnet durch das eKomi Siegel
Articolo senza TÜV e ABE se non diversamente indicato. I tempi di consegna si riferiscono alle consegne in Germania.
Tutti i diritti riservati © 2025 Scooter Center GmbH
Questioni legali
Condizioni ambientali Ordinanza sulle piccole parti elettriche Diritto di recesso AGB e informazioni sui clienti Impostazioni dei cookie Nota legale Informativa sulla privacy
* incl. IVA più le spese di spedizione