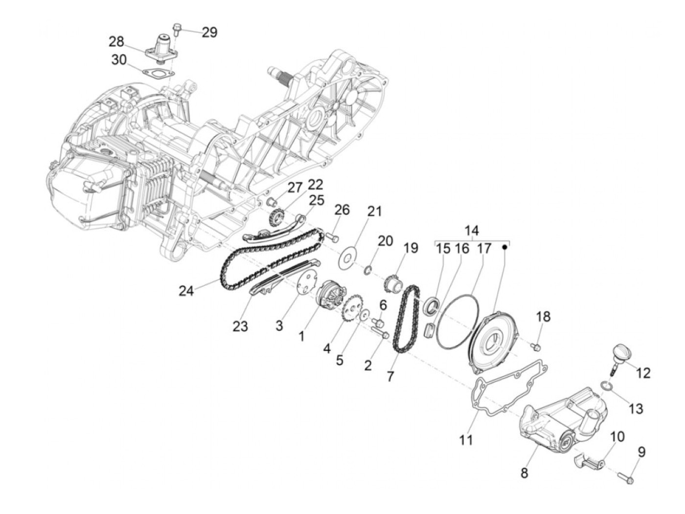
Pompa olio
Vespa Primavera 50 IGET (4-tempi, 2018, ZAPCA0200) 25km/h, 50 Jah
Ordinamento