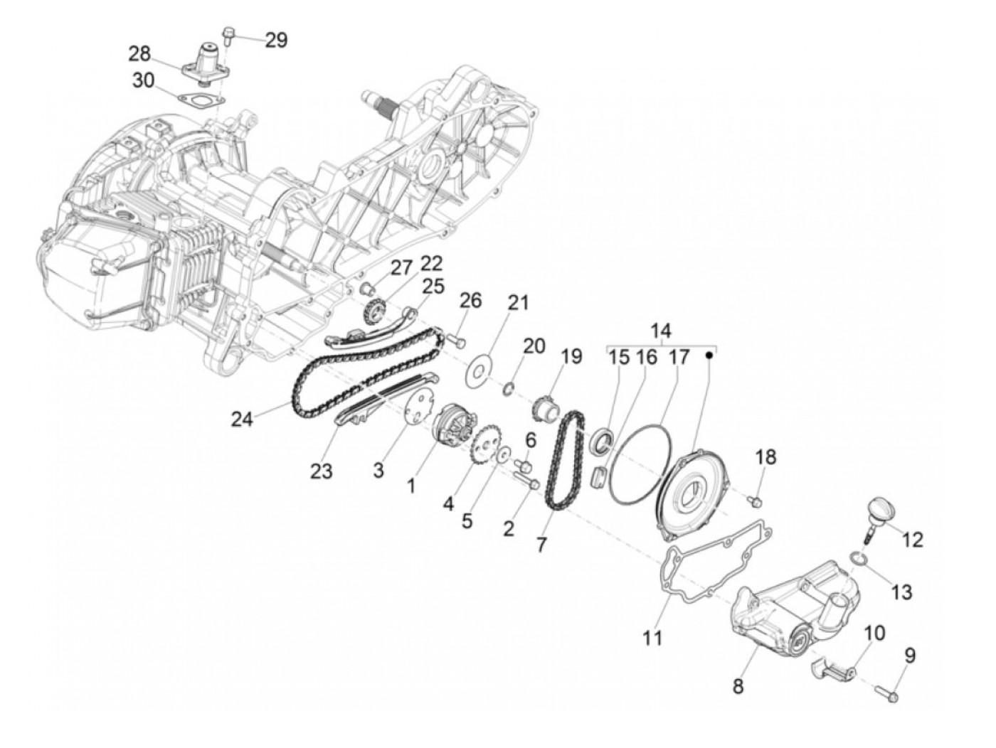
Pompa olio
Vespa Sprint 50 IGET (4-tempi, 2019-2020, ZAPCA0101) Racing Sixti
Ordinamento