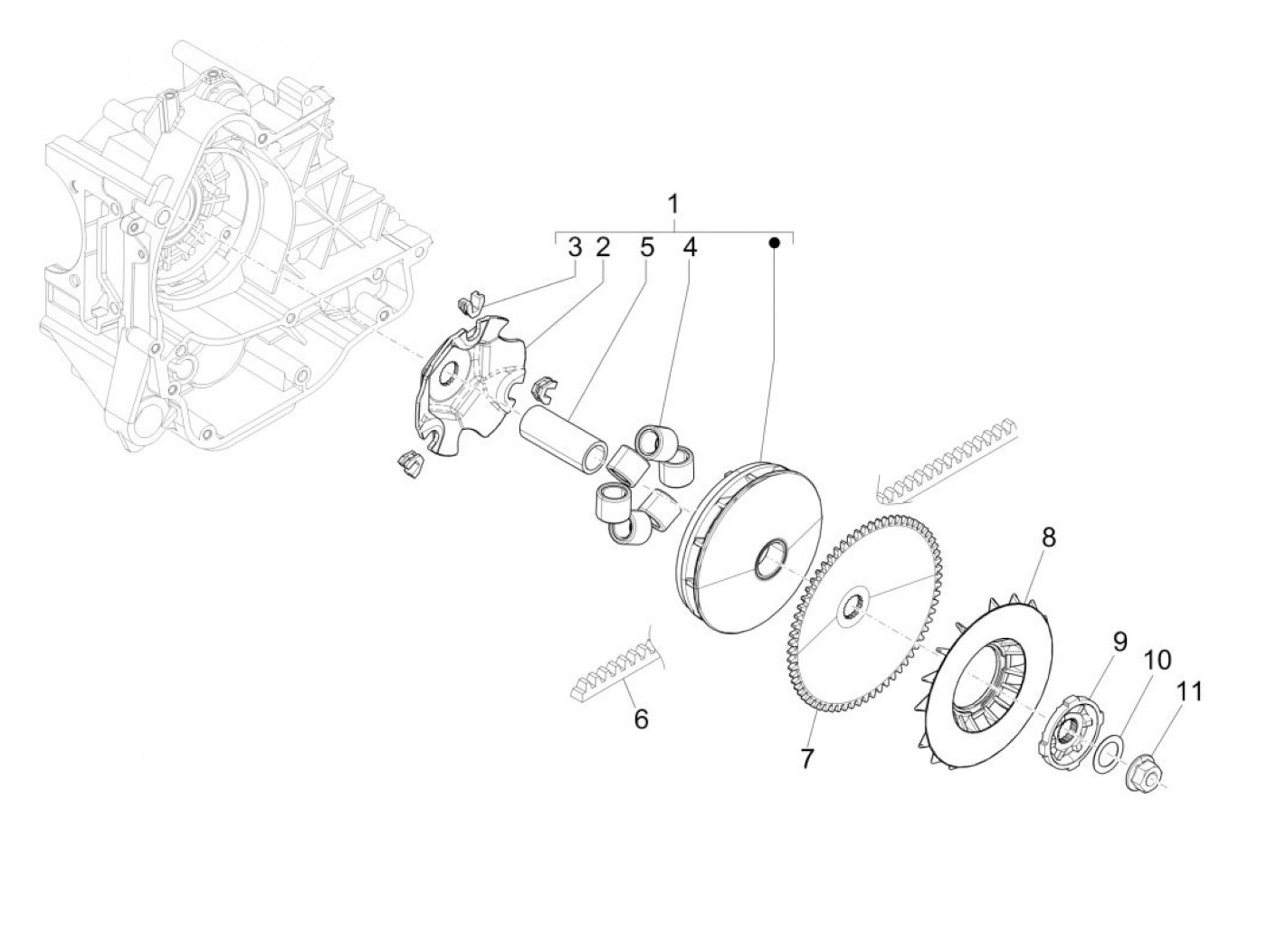
Puleggia motrice
Vespa Primavera 50 Touring IGET (4-tempi, 2017, ZAPCA0100)
Ordinamento