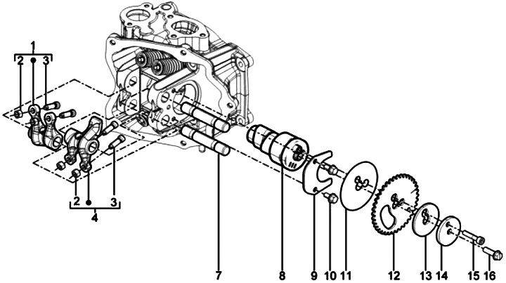
Supporto per braccio oscillante
Piaggio X10 125 Executive (2013, ZAPM76101)
Ordinamento