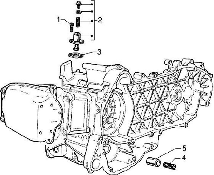
Tendicatena
Gilera DNA 125 (2002, ZAPM26000)
Ordinamento