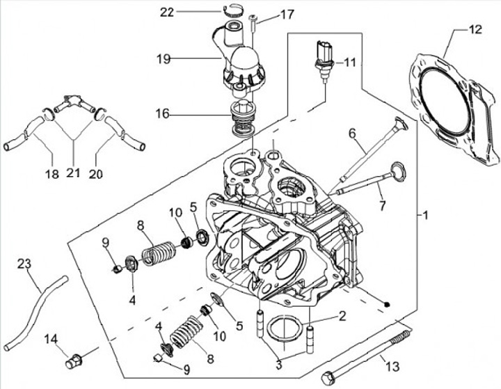
Testa cilindro - valvole
Piaggio Beverly 250 GT (2005, ZAPM28500)
Ordinamento