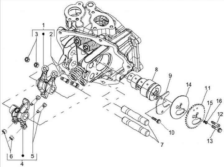
Leva bilanciere - albero a camme
Piaggio Beverly 250 GT (2005, ZAPM28500)
Ordinamento