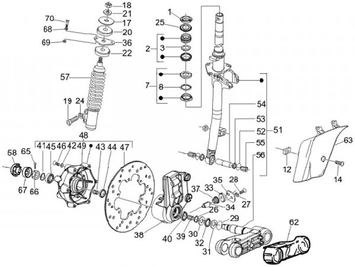
Balhoofd - Balhoofdlagerkit
Vespa LX 125 (2009, ZAPM44300)
Sorteer