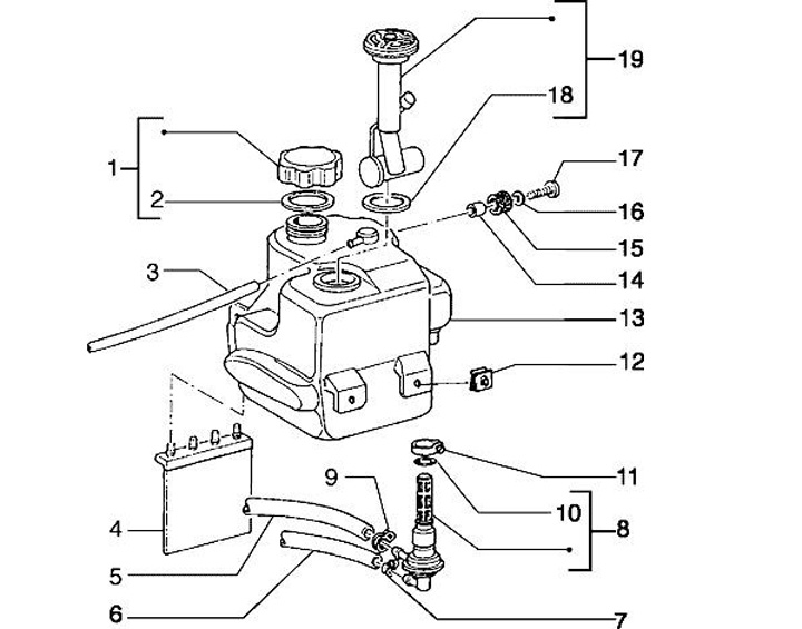
Benzinetank
Piaggio TPH 50 X (1999, TEC2T)
Sorteer