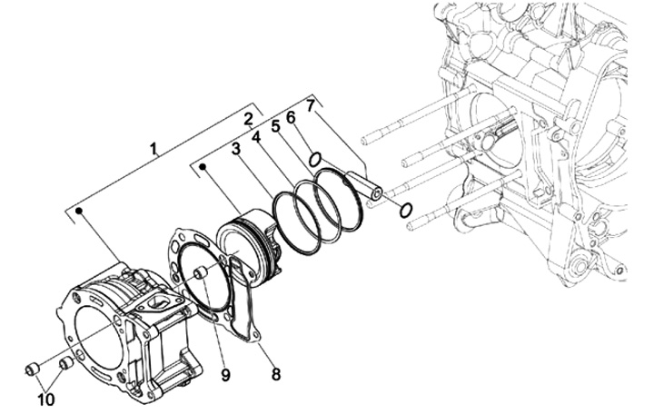
Cilinder
Vespa GTS 125ie Super ABS (2015, ZAPM45301) 85-B
Sorteer