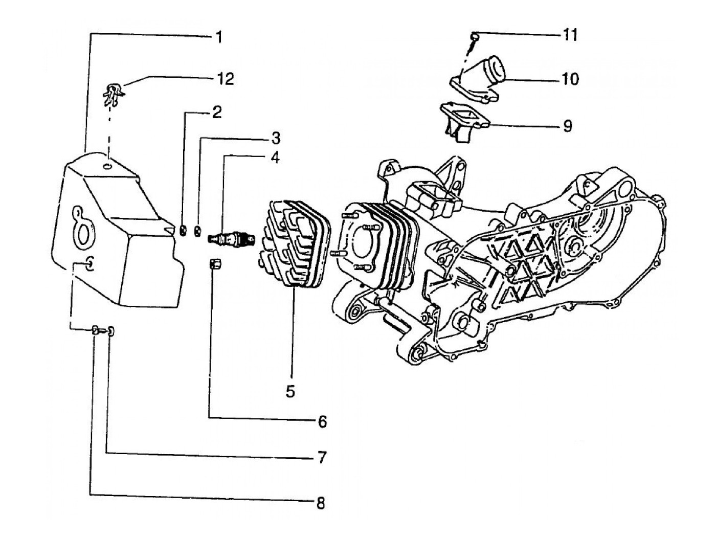
Cilinderkop
Vespa ET2 50 (2001, ZAPC16000)
Sorteer