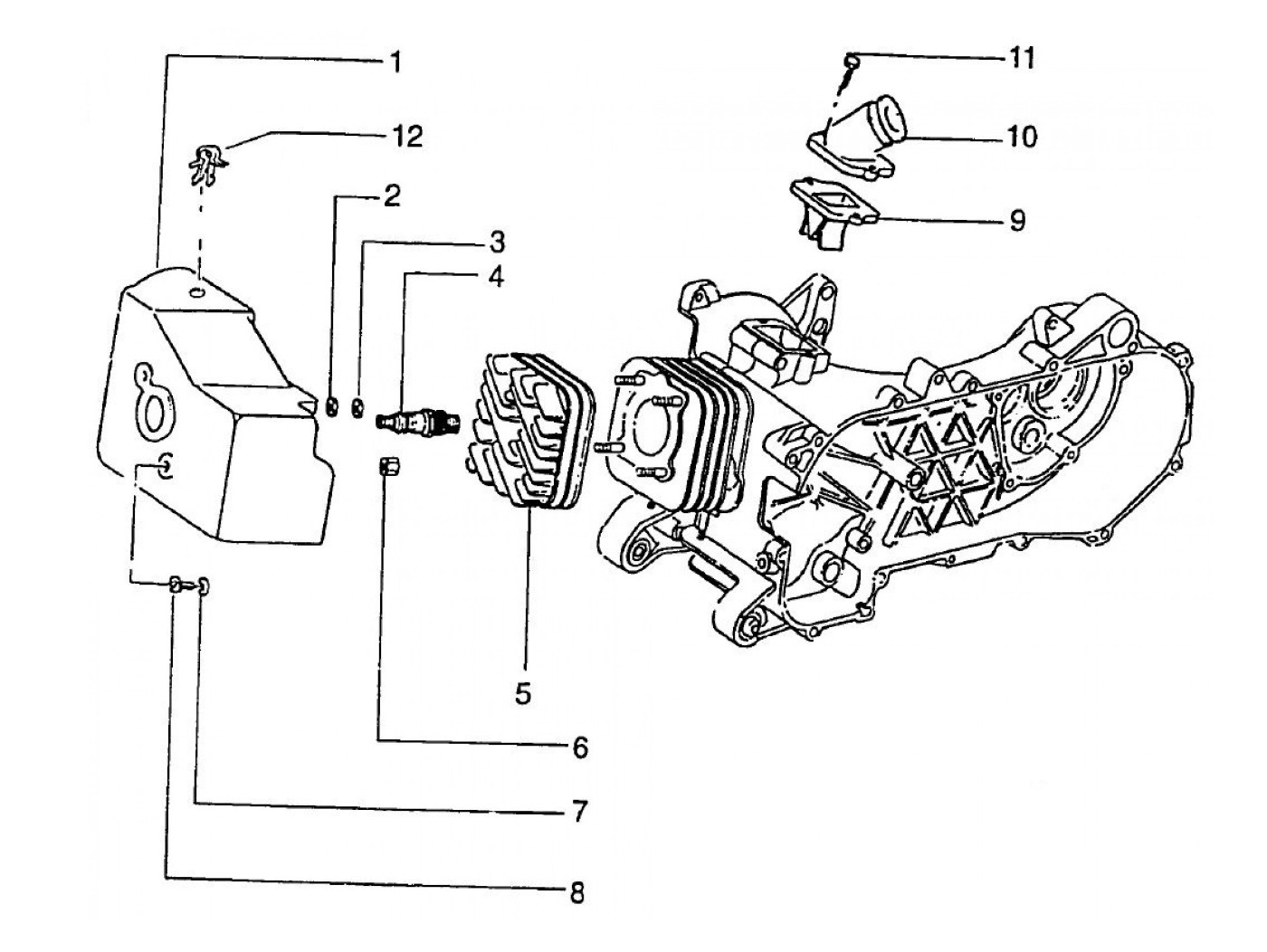
Cilinderkop
Vespa ET2 50 (2002, ZAPC38100)
Sorteer